油壓虎鉗油壓虎鉗是一種利用液壓系統(Hydraulic System)產生穩定夾持力的精密夾具。相較於傳統的手動虎鉗,油壓虎鉗具備:更高的夾持力,適合 CNC 加工與重切削。穩定精度,避免工件鬆脫與震動。自動化操作,節省人工時間與成本。適用於單件加工與批量生產。常用於 CNC 加工中心、銑床、鑽床、磨床、自動化產線。油壓虎鉗的應用領域CNC 加工中心:高速切削、多工序加工,確保定位精度。銑床:支援
产品详情
油壓虎鉗
油壓虎鉗是一種利用液壓系統(Hydraulic System)產生穩定夾持力的精密夾具。
相較於傳統的手動虎鉗,油壓虎鉗具備:
更高的夾持力,適合 CNC 加工與重切削。
穩定精度,避免工件鬆脫與震動。
自動化操作,節省人工時間與成本。
適用於單件加工與批量生產。
常用於 CNC 加工中心、銑床、鑽床、磨床、自動化產線。
油壓虎鉗的應用領域
CNC 加工中心:高速切削、多工序加工,確保定位精度。
銑床:支援重切削與大面積加工,提高效率。
鑽床與攻牙機:避免工件因震動或扭力而移位,提升孔位精度。
磨床:工件固定穩固,獲得更佳表面品質。
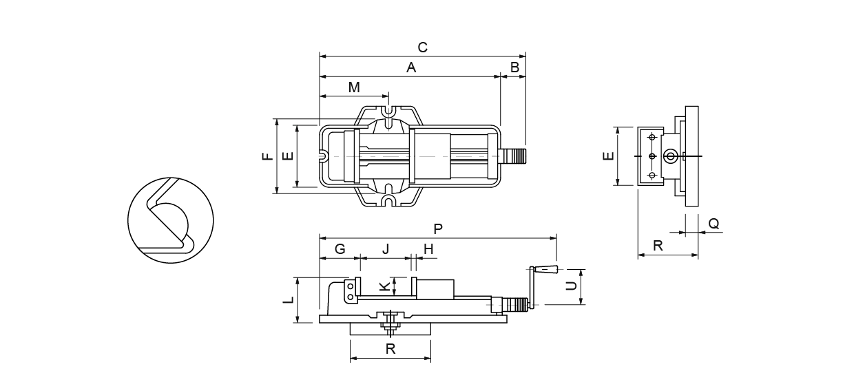
台湾米其林35070 大開口油壓虎鉗
型号:MLV-160 / MLV-200 / MLV-250
● 虎鉗開口較一般虎鉗,可輕易夾持較長之工件。
● 機械/油壓式可單獨使用,最適合銑床加工,模具業使用。
● 角固式半圓球可產生角固下鎖之力,可消除虎口上浮與工件傾斜。
● 虎鉗滑動面及底面均經過精密研磨,平行度精準。
● 虎鉗本體使用球狀石墨化鑄鐵FCD60製造,抗張力強,耐磨性高,不易變形。
● 虎鉗滑動面經熱處理HRC45˚ 以上,可保持長久耐磨及精度。
● 旋轉底座請另購。
單位:mm
| 訂購編號 | 型號 | A | B | C | D | E | F | G | H | J | K | ||||||||||
| 35070-06 | MLV-160 | 625 | 150 | 775 | 160 | 205 | 240 | 125 | 15 | 0-335 | 58 | ||||||||||
| 35070-08 | MLV-200 | 700 | 150 | 850 | 200 | 240 | 280 | 150 | 18 | 0-360 | 63 | ||||||||||
| 35070-10 | MLV-250 | 810 | 150 | 960 | 250 | 290 | 320 | 180 | 21 | 0-380 | 80 | ||||||||||
單位:mm
| 型號 | L | M | N | O | P | Q | R | S | T | U | 夾持力 | 重量 (kg) | |||||||||
| MLV-160 | 140 | 208 | 14 | 16 | 845 | 39 | 320 | 340 | 179 | 125 | 5000kgf | 54 | |||||||||
| MLV-200 | 163 | 265 | 14 | 18 | 915 | 46 | 365 | 400 | 205 | 125 | 6000kgf | 90 | |||||||||
| MLV-250 | 190 | 320 | 14 | 18 | 1020 | 50 | 420 | 460 | 238 | 125 | 6500kgf | 140 | |||||||||












全国服务热线