油壓虎鉗油壓虎鉗是一種利用液壓系統(Hydraulic System)產生穩定夾持力的精密夾具。相較於傳統的手動虎鉗,油壓虎鉗具備:更高的夾持力,適合 CNC 加工與重切削。穩定精度,避免工件鬆脫與震動。自動化操作,節省人工時間與成本。適用於單件加工與批量生產。常用於 CNC 加工中心、銑床、鑽床、磨床、自動化產線。油壓虎鉗的應用領域CNC 加工中心:高速切削、多工序加工,確保定位精度。銑床:支援
产品详情
油壓虎鉗
油壓虎鉗是一種利用液壓系統(Hydraulic System)產生穩定夾持力的精密夾具。
相較於傳統的手動虎鉗,油壓虎鉗具備:
更高的夾持力,適合 CNC 加工與重切削。
穩定精度,避免工件鬆脫與震動。
自動化操作,節省人工時間與成本。
適用於單件加工與批量生產。
常用於 CNC 加工中心、銑床、鑽床、磨床、自動化產線。
油壓虎鉗的應用領域
CNC 加工中心:高速切削、多工序加工,確保定位精度。
銑床:支援重切削與大面積加工,提高效率。
鑽床與攻牙機:避免工件因震動或扭力而移位,提升孔位精度。
磨床:工件固定穩固,獲得更佳表面品質。
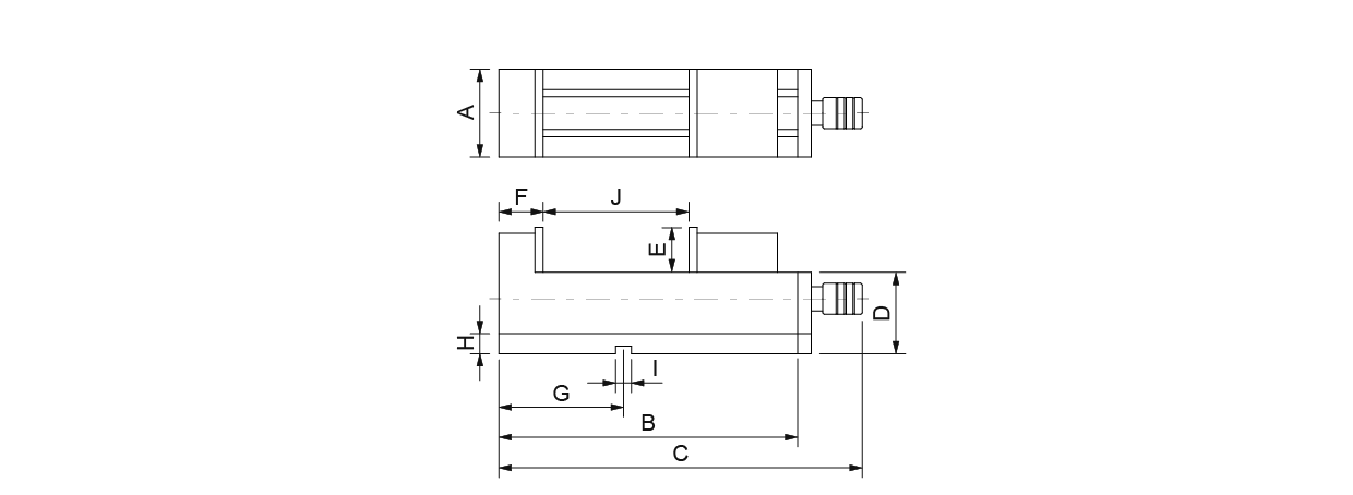
台湾米其林35062 精密油壓角固虎鉗
型号:MHV-100V / MHV-130V / MHV-160V / MHV-200V
● 油壓泵無故障可輕易得到高夾持力。
● 全新防塵蓋設計,可防止切削屑所引起的動作不良。
● 較同等級虎鉗有近兩倍的開口,可輕易夾持較長工件。
● 較同等級虎鉗鉗口深,可確實夾持較高之工件。
● 內藏防止上浮機構:夾持時往下方的力亦作動,因此工件及可動體的上浮極小。
單位:mm
| 訂購編號 | 型號 | A | B | C | D | E | F | G | H | I | J | L | 夾持力 (kgf) | 重量 (kg) |
| 35062-04 | MHV-100V | 100 | 400 | 535 | 85 | 45 | 80 | 110 | 23 | 18 | 125 | 106 | 2500 | 32 |
| 35062-05 | MHV-130V | 130 | 450 | 585 | 95 | 50 | 85 | 135 | 23 | 18 | 180 | 117 | 3500 | 45 |
| 35062-06 | MHV-160V | 160 | 550 | 685 | 105 | 60 | 103 | 200 | 23 | 18 | 240 | 146 | 4400 | 63 |
| 35062-08 | MHV-200V | 200 | 600 | 735 | 110 | 65 | 108 | 220 | 23 | 18 | 280 | 190 | 5500 | 92 |












全国服务热线