虎鉗類什麼是虎鉗?虎鉗(Vise / Machine Vise)是一種常見的 工件固定工具,能在切削、銑削或鑽孔過程中牢固夾持工件,避免移動,確保加工精度。常見類型包括 傳統虎鉗、MC虎鉗(精密虎鉗)、五軸虎鉗(Five-Axis Vise)。如何選擇適合的虎鉗?一般加工 → 傳統虎鉗(價格實惠,適合入門)。高精度CNC → MC虎鉗(精度高,效率佳)。五軸加工或複雜零件 → 五軸虎鉗(最佳加工自
产品详情
虎鉗類
什麼是虎鉗?
虎鉗(Vise / Machine Vise)是一種常見的 工件固定工具,能在切削、銑削或鑽孔過程中牢固夾持工件,避免移動,確保加工精度。常見類型包括 傳統虎鉗、MC虎鉗(精密虎鉗)、五軸虎鉗(Five-Axis Vise)。
如何選擇適合的虎鉗?
一般加工 → 傳統虎鉗(價格實惠,適合入門)。
高精度CNC → MC虎鉗(精度高,效率佳)。
五軸加工或複雜零件 → 五軸虎鉗(最佳加工自由度)。
台湾米其林35048 精密螺牙式角固虎鉗
型号:MB-100V / MB-130V / MB-160V / MB-200V
● 虎鉗防屑設計,可防止加工鐵屑進入引起的動作不良.
● 比同系列虎鉗有較長的開口,可輕易夾持較長之工件.
● 比同系列虎鉗有較深的虎鉗口,可確實夾持較高之工件.
● 角固式半圓球可產生角固下鎖之力,可消除虎口上浮和工件傾斜.
● 使用球狀石墨化鑄鐵FCD60製造,抗張力強,耐磨性高不易變形.
● 虎鉗滑動面熱處理HRC45度以上,可保持長久耐磨及精度.
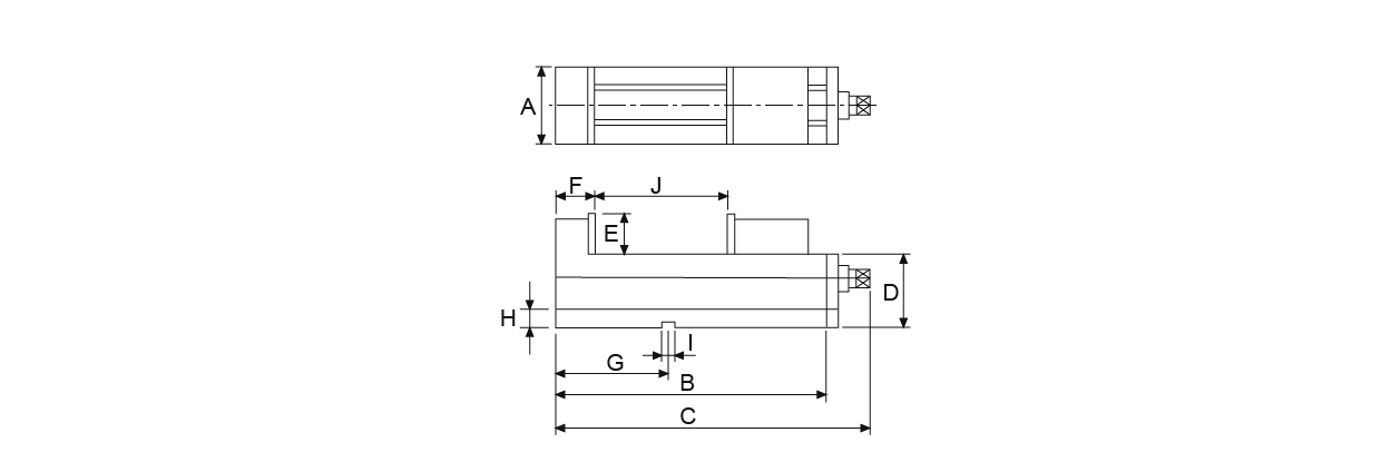
單位:mm
| 訂購編號 | 型號 | A | B | C | D | E | F | G | H | I | J | 重量 (kg) |
| 35048-04 | MB-100V | 100 | 400 | 490 | 85 | 45 | 80 | 110 | 23 | 18 | 200 | 27 |
| 35048-05 | MB-130V | 130 | 450 | 540 | 95 | 50 | 85 | 135 | 23 | 18 | 240 | 40 |
| 35048-06 | MB-160V | 160 | 550 | 640 | 100 | 60 | 103 | 200 | 23 | 18 | 300 | 58 |
| 35048-08 | MB-200V | 200 | 600 | 690 | 110 | 65 | 108 | 220 | 23 | 18 | 340 | 87 |












全国服务热线