虎鉗類什麼是虎鉗?虎鉗(Vise / Machine Vise)是一種常見的 工件固定工具,能在切削、銑削或鑽孔過程中牢固夾持工件,避免移動,確保加工精度。常見類型包括 傳統虎鉗、MC虎鉗(精密虎鉗)、五軸虎鉗(Five-Axis Vise)。如何選擇適合的虎鉗?一般加工 → 傳統虎鉗(價格實惠,適合入門)。高精度CNC → MC虎鉗(精度高,效率佳)。五軸加工或複雜零件 → 五軸虎鉗(最佳加工自
产品详情
虎鉗類
什麼是虎鉗?
虎鉗(Vise / Machine Vise)是一種常見的 工件固定工具,能在切削、銑削或鑽孔過程中牢固夾持工件,避免移動,確保加工精度。常見類型包括 傳統虎鉗、MC虎鉗(精密虎鉗)、五軸虎鉗(Five-Axis Vise)。
如何選擇適合的虎鉗?
一般加工 → 傳統虎鉗(價格實惠,適合入門)。
高精度CNC → MC虎鉗(精度高,效率佳)。
五軸加工或複雜零件 → 五軸虎鉗(最佳加工自由度)。
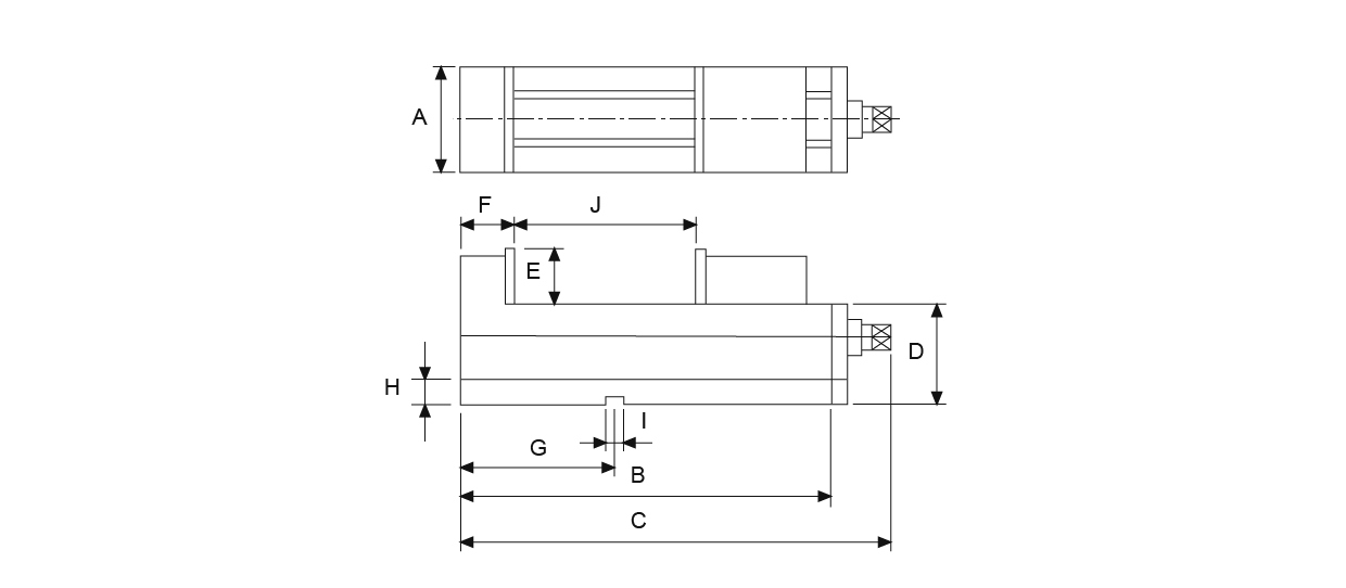
台湾米其林35031 精密倍力角固虎鉗
型号:MPV-100V / MPV-130V / MPV-160V / MPV-200VL
● 無油式倍力機械增壓系統,可輕易得到高夾持力並永不退壓.
● 無油壓虎鉗失壓之問題,可承受油壓虎鉗無法承受之重力切削.
● 虎鉗防屑設計,可防止加工鐵屑進入引起的動作不良.
● 角固式半圓球可產生角固下鎖之力,可消除虎口上浮和工件傾斜.
● 使用球狀石墨化鑄鐵FCD60製造,抗張力強,耐磨性高不易變形.
● 虎鉗滑動面熱處理HRC45度以上,可保持長久耐磨及精度.
單位:mm
| 訂購編號 | 型號 | A | B | C | D | E | F | G | H | I | J | 夾持力 (kgf) | 重量 (kg) |
| 35031-04 | MPV-100V | 100 | 400 | 530 | 85 | 45 | 80 | 110 | 23 | 18 | 200 | 4000 | 32 |
| 35031-05 | MPV-130V | 130 | 450 | 580 | 95 | 50 | 85 | 135 | 23 | 18 | 240 | 4500 | 45 |
| 35031-06 | MPV-160V | 160 | 550 | 680 | 100 | 60 | 103 | 200 | 23 | 18 | 300 | 5000 | 63 |
| 35031-08 | MPV-200V | 200 | 600 | 730 | 105 | 65 | 108 | 220 | 23 | 18 | 340 | 5500 | 92 |












全国服务热线