虎鉗類什麼是虎鉗?虎鉗(Vise / Machine Vise)是一種常見的 工件固定工具,能在切削、銑削或鑽孔過程中牢固夾持工件,避免移動,確保加工精度。常見類型包括 傳統虎鉗、MC虎鉗(精密虎鉗)、五軸虎鉗(Five-Axis Vise)。如何選擇適合的虎鉗?一般加工 → 傳統虎鉗(價格實惠,適合入門)。高精度CNC → MC虎鉗(精度高,效率佳)。五軸加工或複雜零件 → 五軸虎鉗(最佳加工自
产品详情
虎鉗類
什麼是虎鉗?
虎鉗(Vise / Machine Vise)是一種常見的 工件固定工具,能在切削、銑削或鑽孔過程中牢固夾持工件,避免移動,確保加工精度。常見類型包括 傳統虎鉗、MC虎鉗(精密虎鉗)、五軸虎鉗(Five-Axis Vise)。
如何選擇適合的虎鉗?
一般加工 → 傳統虎鉗(價格實惠,適合入門)。
高精度CNC → MC虎鉗(精度高,效率佳)。
五軸加工或複雜零件 → 五軸虎鉗(最佳加工自由度)。
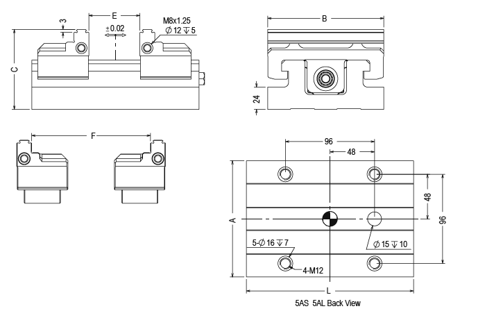
台湾米其林21000 插夾式虎鉗 (2" 3")
型号:MCL-2AS/MCL-2AL/MCL-3AS/MCL-3AL
► 虎鉗本體與鉗口採用高級工具鋼 SCM440 硬度達HRC50°以上。
► 重複定位精度為±0.015MM。
| Order NO. | Model | A | B | C | L | E | F | Force | Vise Accembly | Fig | weight (kg) |
|---|---|---|---|---|---|---|---|---|---|---|---|
| 21000-20 | MCL-2AS090-S | 77 | 46 | 67 | 110 | 0-50 | 43-90 | 13kN/60Nm | Max.70Nm | S | 2.5 |
| 21000-22 | MCL-2AS090-C | 77 | 46 | 67 | 110 | 0-50 | 43-90 | 13kN/60Nm | Max.70Nm | C | 2.5 |
| 21000-24 | MCL-2AL200-S | 77 | 46 | 67 | 220 | 0-150 | 43-200 | 13kN/60Nm | Max.70Nm | S | 4.1 |
| 21000-26 | MCL-2AL200-C | 77 | 46 | 67 | 220 | 0-150 | 43-200 | 13kN/60Nm | Max.70Nm | C | 4.1 |
| 21000-30 | MCL-3AS090-S | 77 | 77 | 67 | 110 | 0-50 | 43-90 | 13kN/60Nm | Max.70Nm | S | 2.6 |
| 21000-32 | MCL-3AS090-C | 77 | 77 | 67 | 110 | 0-50 | 43-90 | 13kN/60Nm | Max.70Nm | C | 2.6 |
| 21000-34 | MCL-3AL200-S | 77 | 77 | 67 | 220 | 0-150 | 43-200 | 13kN/60Nm | Max.70Nm | S | 4.2 |
| 21000-36 | MCL-3AL200-C | 77 | 77 | 67 | 220 | 0-150 | 43-200 | 13kN/60Nm | Max.70Nm | C | 4.2 |
單位 : mm












全国服务热线