虎鉗類什麼是虎鉗?虎鉗(Vise / Machine Vise)是一種常見的 工件固定工具,能在切削、銑削或鑽孔過程中牢固夾持工件,避免移動,確保加工精度。常見類型包括 傳統虎鉗、MC虎鉗(精密虎鉗)、五軸虎鉗(Five-Axis Vise)。如何選擇適合的虎鉗?一般加工 → 傳統虎鉗(價格實惠,適合入門)。高精度CNC → MC虎鉗(精度高,效率佳)。五軸加工或複雜零件 → 五軸虎鉗(最佳加工自
产品详情
虎鉗類
什麼是虎鉗?
虎鉗(Vise / Machine Vise)是一種常見的 工件固定工具,能在切削、銑削或鑽孔過程中牢固夾持工件,避免移動,確保加工精度。常見類型包括 傳統虎鉗、MC虎鉗(精密虎鉗)、五軸虎鉗(Five-Axis Vise)。
如何選擇適合的虎鉗?
一般加工 → 傳統虎鉗(價格實惠,適合入門)。
高精度CNC → MC虎鉗(精度高,效率佳)。
五軸加工或複雜零件 → 五軸虎鉗(最佳加工自由度)。
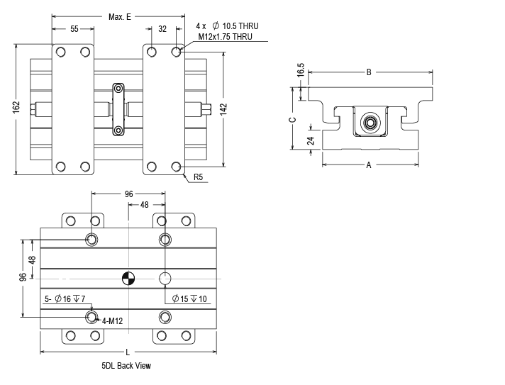
台湾米其林21015 插夾式虎鉗 (5")
型号:MCL-5DL
► 虎鉗本體採用高級工具鋼 SCM440 硬度達HRC50°以上。 夾爪材質 S50C.
► 重複定位精度為±0.015Mm
| Order NO. | Model | A | B | C | L | E | Force | Vise Accembly | Fig | weight (kg) |
|---|---|---|---|---|---|---|---|---|---|---|
| 21015-50 | MCL-5DL230-S | 125 | 162 | 77 | 230 | 250 | 15.6kN/85Nm | Max.100Nm | S | 11.4 |
| 21015-52 | MCL-5DL230-C | 125 | 162 | 77 | 230 | 250 | 15.6kN/85Nm | Max.100Nm | C | 11.4 |
單位 : mm












全国服务热线