虎鉗類什麼是虎鉗?虎鉗(Vise / Machine Vise)是一種常見的 工件固定工具,能在切削、銑削或鑽孔過程中牢固夾持工件,避免移動,確保加工精度。常見類型包括 傳統虎鉗、MC虎鉗(精密虎鉗)、五軸虎鉗(Five-Axis Vise)。如何選擇適合的虎鉗?一般加工 → 傳統虎鉗(價格實惠,適合入門)。高精度CNC → MC虎鉗(精度高,效率佳)。五軸加工或複雜零件 → 五軸虎鉗(最佳加工自
产品详情
虎鉗類
什麼是虎鉗?
虎鉗(Vise / Machine Vise)是一種常見的 工件固定工具,能在切削、銑削或鑽孔過程中牢固夾持工件,避免移動,確保加工精度。常見類型包括 傳統虎鉗、MC虎鉗(精密虎鉗)、五軸虎鉗(Five-Axis Vise)。
如何選擇適合的虎鉗?
一般加工 → 傳統虎鉗(價格實惠,適合入門)。
高精度CNC → MC虎鉗(精度高,效率佳)。
五軸加工或複雜零件 → 五軸虎鉗(最佳加工自由度)。
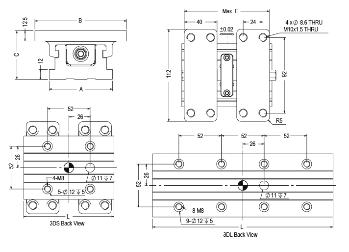
台湾米其林21015 插夾式虎鉗 (3")
型号:MCL-3DS/MCL-3DL
► 虎鉗本體採用高級工具鋼 SCM440 硬度達HRC50°以上。 夾爪材質 S50C.
► 重複定位精度為±0.015MM。
| Order NO. | Model | A | B | C | L | E | Force | Vise Accembly | Fig | weight (kg) |
|---|---|---|---|---|---|---|---|---|---|---|
| 21015-30 | MCL-3DS110-S | 77 | 112 | 59 | 110 | 125 | 13kN/60Nm | Max.70Nm | S | 3.1 |
| 21015-32 | MCL-3DS110-C | 77 | 112 | 59 | 110 | 125 | 13kN/60Nm | Max.70Nm | C | 3.1 |
| 21015-34 | MCL-3DL220-S | 77 | 112 | 59 | 220 | 235 | 13kN/60Nm | Max.70Nm | S | 4.7 |
| 21015-36 | MCL-3DL220-C | 77 | 112 | 59 | 220 | 235 | 13kN/60Nm | Max.70Nm | C | 4.7 |
單位 : mm












全国服务热线