台湾米其林34190 圓形星目電永磁夾盤型号:EPMR-50ST / EPMR-60ST / EPMR-80ST / EPMR-100ST / EPMR-120ST●適用於車床、直立式車床、旋轉磨床等工作母機研削及車削加工作業,高精度,多功能機種。●吸力超強,針對厚的工件,能有效吸著。●面板附有T型溝,針對不同加工型態可配合模具及固定方式做多樣性的變化。●防水效果最確實,保證不滲水不漏電。●磁場強
产品详情
台湾米其林34190 圓形星目電永磁夾盤
型号:EPMR-50ST / EPMR-60ST / EPMR-80ST / EPMR-100ST / EPMR-120ST
●適用於車床、直立式車床、旋轉磨床等工作母機研削及車削加工作業,高精度,多功能機種。
●吸力超強,針對厚的工件,能有效吸著。
●面板附有T型溝,針對不同加工型態可配合模具及固定方式做多樣性的變化。
●防水效果最確實,保證不滲水不漏電。
●磁場強度可達3000高斯以上。
●平均吸磁力18 kgf/cm2 以上。
※報價無含控制器請另外購買,控制器訂購編號No. 34183
電永磁夾盤之內部結構 :
1.永久式磁石。
2.線圈。
3.導磁板。
電永磁夾盤之動作原理 :
以線圈包圍永久磁石,線圈以瞬間激磁方式,將磁石充磁,藉此達到吸磁或脫磁的目的。線圈將磁石磁化後,透過導磁板在面板上形成NS極,故可使導磁性工件吸著。其動作均由電源供應控制器來操控。吸磁及脫磁的時間在一秒鐘以內完成。
電永磁夾盤之特性 :
1.與永久磁盤相同沒有內部溫升所造成的精度變化,適合高精度加工。
2.以永久磁鐵產生的磁場吸著工件,於作業中無需擔憂停電困擾,相對安全性大幅增加。
3.以電控操作ON-OFF開關,增加其方便性。
4.沒有永久磁盤的傳動元件,使其磁盤更加經久耐用。
5.與電磁盤相同,可任意調整磁場大小。
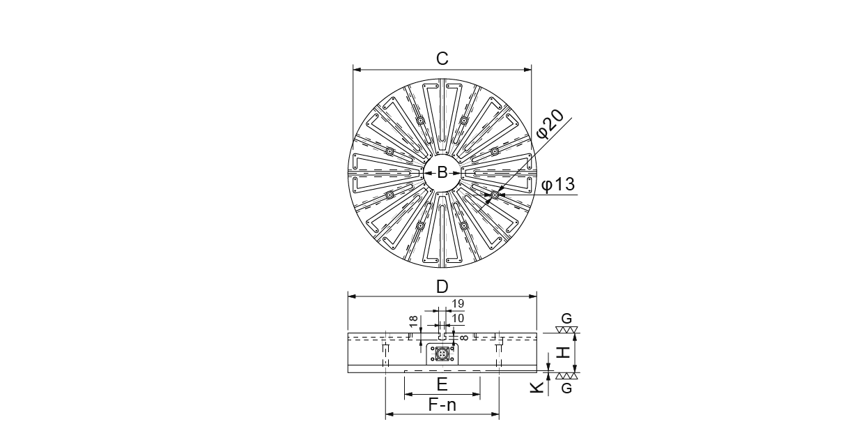
單位:mm
| 訂購編號 | 型號 | D | C | B | E | F | n | H | 孔數 | 重量 (kg) |
| 34190-05 | EPMR-50ST | φ500 | 470 | 100 | φ200 | φ300 | 8 | 105 | 8 | 125 |
| 34190-10 | EPMR-60ST | φ600 | 560 | 120 | φ300 | φ400 | 8 | 105 | 8 | 180 |
| 34190-15 | EPMR-80ST | φ800 | 750 | 160 | φ400 | φ600 | 12 | 105 | 12 | 320 |
| 34190-20 | EPMR-100ST | φ1000 | 950 | 200 | φ500 | φ800 | 12 | 105 | 12 | 500 |
| 34190-25 | EPMR-120ST | φ1200 | 1150 | 300 | φ700 | φ1000 | 18 | 105 | 18 | 750 |












全国服务热线