磁性工具磁性工具是一種利用磁力來固定、吸附與定位工件的輔助裝置,廣泛應用於磨床(Grinding Machines)與銑床(Milling Machines)。相比傳統的機械夾具,磁性工具具有操作簡便、效率高、精度穩定、節能安全等優勢。【永久磁盤、強力磁盤、圓形磁盤、星目磁盤、旋轉磁盤、細目磁盤、粗目磁盤、超硬磁盤、迴轉磁盤、垂直型形磁盤、電磁盤、迴轉電磁盤、細目電磁盤、粗目電磁盤、電永磁夾、方陣
产品详情
磁性工具
磁性工具是一種利用磁力來固定、吸附與定位工件的輔助裝置,廣泛應用於磨床(Grinding Machines)與銑床(Milling Machines)。相比傳統的機械夾具,磁性工具具有操作簡便、效率高、精度穩定、節能安全等優勢。
【永久磁盤、強力磁盤、圓形磁盤、星目磁盤、旋轉磁盤、細目磁盤、粗目磁盤、超硬磁盤、迴轉磁盤、垂直型形磁盤、電磁盤、迴轉電磁盤、細目電磁盤、粗目電磁盤、電永磁夾、方陣列夾盤、星目電永磁夾盤、超強電永磁夾盤、整流器、控制器、脫磁機、除屑器、磁性吊盤、磁性座、萬向曲管、磁性吸塊】
我們的磁性工具類型
磁性工具的優勢
效率提升:快速吸附與釋放工件,縮短換件時間。
精度保障:磁力均勻分布,確保工件定位精準。
安全穩定:減少傳統夾具因震動造成的鬆動。
應用靈活:適用於精密磨削與重型銑削兩大加工領域。
節能環保:永久磁吸盤與電控永磁吸盤無需持續供電,更加節能。
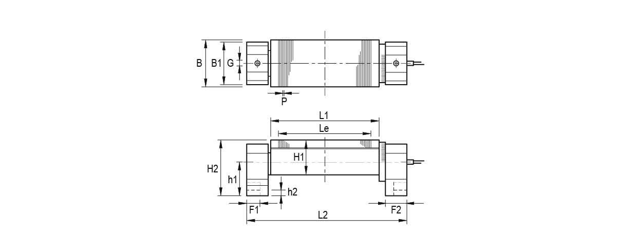
台湾米其林34052 細目迴轉電磁盤
型号:ELC-612UW / ELC-614UW / ELC-618UW / ELC-820UW / ELC-824UW
● 適用在平面磨床上角度加工研磨。
● 旋轉主軸上附有刻度,可調整任何角度來做研磨。
● 磁盤面板為銅焊接合處理,保證精度穩定。
● 磁盤主體和迴轉主軸是一體的設計。
單位:mm
| 訂購編號 | 型號 | 面盤尺寸 | 磁距 | 底座 | 長度 | 高度 | 電壓 (DC/V) | 電流 (DC/A) | 重量 (kg) | ||||||||
| B | L1 | Le | H1 | P | B1 | F1 | F2 | G | h1 | h2 | L2 | H2 | |||||
| 34052-12 | ELC-612UW | 150 | 300 | 256 | 100 | 4(1+3) | 100 | 50 | 25 | 14 | 90 | 15 | 418 | 136 | 90 | 1.51A | 37 |
| 34052-14 | ELC-614UW | 150 | 350 | 304 | 100 | 4(1+3) | 100 | 50 | 25 | 14 | 90 | 15 | 468 | 136 | 90 | 1.60A | 41 |
| 34052-18 | ELC-618UW | 150 | 450 | 403 | 100 | 4(1+3) | 100 | 50 | 25 | 14 | 90 | 15 | 568 | 136 | 90 | 1.65A | 51 |
| 34052-20 | ELC-820UW | 200 | 500 | 457 | 100 | 4(1+3) | 100 | 50 | 25 | 14 | 120 | 15 | 618 | 168 | 90 | 1.80A | 76 |
| 34052-24 | ELC-824UW | 200 | 600 | 553 | 100 | 4(1+3) | 100 | 50 | 25 | 14 | 120 | 15 | 718 | 168 | 90 | 1.90A | 89 |












全国服务热线