磁性工具磁性工具是一種利用磁力來固定、吸附與定位工件的輔助裝置,廣泛應用於磨床(Grinding Machines)與銑床(Milling Machines)。相比傳統的機械夾具,磁性工具具有操作簡便、效率高、精度穩定、節能安全等優勢。【永久磁盤、強力磁盤、圓形磁盤、星目磁盤、旋轉磁盤、細目磁盤、粗目磁盤、超硬磁盤、迴轉磁盤、垂直型形磁盤、電磁盤、迴轉電磁盤、細目電磁盤、粗目電磁盤、電永磁夾、方陣
产品详情
磁性工具
磁性工具是一種利用磁力來固定、吸附與定位工件的輔助裝置,廣泛應用於磨床(Grinding Machines)與銑床(Milling Machines)。相比傳統的機械夾具,磁性工具具有操作簡便、效率高、精度穩定、節能安全等優勢。
【永久磁盤、強力磁盤、圓形磁盤、星目磁盤、旋轉磁盤、細目磁盤、粗目磁盤、超硬磁盤、迴轉磁盤、垂直型形磁盤、電磁盤、迴轉電磁盤、細目電磁盤、粗目電磁盤、電永磁夾、方陣列夾盤、星目電永磁夾盤、超強電永磁夾盤、整流器、控制器、脫磁機、除屑器、磁性吊盤、磁性座、萬向曲管、磁性吸塊】
我們的磁性工具類型
磁性工具的優勢
效率提升:快速吸附與釋放工件,縮短換件時間。
精度保障:磁力均勻分布,確保工件定位精準。
安全穩定:減少傳統夾具因震動造成的鬆動。
應用靈活:適用於精密磨削與重型銑削兩大加工領域。
節能環保:永久磁吸盤與電控永磁吸盤無需持續供電,更加節能。
台湾米其林34056 強力型永久磁盤
型号:HMT-1018B / HMT-1030B / HMT-1325B / HMT-1515B / HMT-1530B / HMT-1535B / HMT-1540B / HMT-1545B / HMT-2020B / HMT-2030B / HMT-2040B / HMT-2045B / HMT-2050B / HMT-2060B / HMT-2525B ~ HMT-2550B / HMT-3030B ~ HMT-3090B / HMT-4040B~HMT-40100B
● 適合於CNC銑床、雕刻機及研磨機重切削。
● 吸力強較一般磁盤增加20%,特殊的磁場結構,對工件的磁化力非常小。
● 底座為一體成型加工,鋼性及穩定性特優;傳動軸長度增長2倍以上,較一般型耐磨耗2倍以上。
● 防水設計,可在液體中使用。
● HMT-1325B以上規格為雙開關。
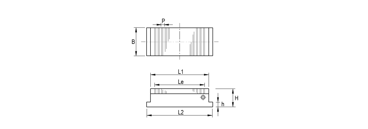
單位:mm
| 訂購編號 | 型號 | 磁盤尺寸 | 磁距 | 底座 | 重量 (kg) | ||||
| B | L1 | Le | H | P | L2 | h | |||
| 34056-03 | HMT-1018B | 100 | 175 | 128 | 65 | 11.2(1.6 + 2 + 1.6 + 6) | 195 | 13 | 8 |
| 34056-06 | HMT-1030B | 100 | 300 | 246 | 65 | 11.2(1.6 + 2 + 1.6 + 6) | 320 | 13 | 13 |
| 34056-09 | HMT-1325B | 125 | 250 | 196 | 65 | 11.2(1.6 + 2 + 1.6 + 6) | 270 | 13 | 14 |
| 34056-12 | HMT-1515B | 150 | 150 | 26 | 65 | 11.2(1.6 + 2 + 1.6 + 6) | 170 | 13 | 10 |
| 34056-15 | HMT-1530B | 150 | 300 | 246 | 65 | 11.2(1.6 + 2 + 1.6 + 6) | 320 | 13 | 19 |
| 34056-18 | HMT-1535B | 150 | 350 | 296 | 65 | 11.2(1.6 + 2 + 1.6 + 6) | 370 | 13 | 22 |
| 34056-21 | HMT-1540B | 150 | 400 | 346 | 65 | 11.2(1.6 + 2 + 1.6 + 6) | 420 | 13 | 26 |
| 34056-24 | HMT-1545B | 150 | 450 | 396 | 65 | 11.2(1.6 + 2 + 1.6 + 6) | 470 | 13 | 29 |
| 34056-27 | HMT-2020B | 200 | 200 | 150 | 65 | 11.2(1.6 + 2 + 1.6 + 6) | 220 | 13 | 17 |
| 34056-30 | HMT-2030B | 200 | 300 | 246 | 65 | 11.2(1.6 + 2 + 1.6 + 6) | 320 | 13 | 26 |
| 34056-33 | HMT-2040B | 200 | 400 | 346 | 65 | 11.2(1.6 + 2 + 1.6 + 6) | 420 | 13 | 34 |
| 34056-36 | HMT-2045B | 200 | 450 | 390 | 65 | 11.2(1.6 + 2 + 1.6 + 6) | 470 | 13 | 38 |
| 34056-39 | HMT-2050B | 200 | 500 | 446 | 65 | 11.2(1.6 + 2 + 1.6 + 6) | 520 | 13 | 43 |
| 34056-42 | HMT-2060B | 200 | 600 | 446 | 65 | 11.2(1.6 + 2 + 1.6 + 6) | 620 | 13 | 51 |
| 34056-45 | HMT-2525B | 250 | 250 | 196 | 65 | 11.2(1.6 + 2 + 1.6 + 6) | 270 | 13 | 27 |
| 34056-48 | HMT-2530B | 250 | 300 | 246 | 65 | 11.2(1.6 + 2 + 1.6 + 6) | 320 | 13 | 32 |
| 34056-51 | HMT-2540B | 250 | 400 | 346 | 65 | 11.2(1.6 + 2 + 1.6 + 6) | 420 | 13 | 43 |
| 34056-54 | HMT-2550B | 250 | 500 | 446 | 65 | 11.2(1.6 + 2 + 1.6 + 6) | 520 | 13 | 53 |
| 34056-57 | HMT-3030B | 300 | 300 | 246 | 75 | 11.2(1.6 + 2 + 1.6 + 6) | 320 | 20 | 44 |
| 34056-60 | HMT-3040B | 300 | 400 | 346 | 75 | 11.2(1.6 + 2 + 1.6 + 6) | 420 | 20 | 59 |
| 34056-63 | HMT-3050B | 300 | 500 | 446 | 75 | 11.2(1.6 + 2 + 1.6 + 6) | 520 | 20 | 74 |
| 34056-66 | HMT-3060B | 300 | 600 | 543 | 75 | 11.2(1.6 + 2 + 1.6 + 6) | 620 | 20 | 88 |
| 34056-69 | HMT-3090B | 300 | 900 | 834 | 75 | 11.2(1.6 + 2 + 1.6 + 6) | 920 | 20 | 132 |
| 34056-72 | HMT-4040B | 400 | 400 | 346 | 75 | 11.2(1.6 + 2 + 1.6 + 6) | 420 | 20 | 79 |
| 34056-75 | HMT-4050B | 400 | 500 | 446 | 75 | 11.2(1.6 + 2 + 1.6 + 6) | 520 | 20 | 98 |
| 34056-78 | HMT-4060B | 400 | 600 | 543 | 75 | 11.2(1.6 + 2 + 1.6 + 6) | 620 | 20 | 117 |
| 34056-81 | HMT-4080B | 400 | 800 | 755.6 | 75 | 11.2(1.6 + 2 + 1.6 + 6) | 820 | 20 | 156 |
| 34056-84 | HMT-40100B | 400 | 1000 | 935 | 75 | 11.2(1.6 + 2 + 1.6 + 6) | 1020 | 20 | 195 |












全国服务热线