磁性工具磁性工具是一種利用磁力來固定、吸附與定位工件的輔助裝置,廣泛應用於磨床(Grinding Machines)與銑床(Milling Machines)。相比傳統的機械夾具,磁性工具具有操作簡便、效率高、精度穩定、節能安全等優勢。【永久磁盤、強力磁盤、圓形磁盤、星目磁盤、旋轉磁盤、細目磁盤、粗目磁盤、超硬磁盤、迴轉磁盤、垂直型形磁盤、電磁盤、迴轉電磁盤、細目電磁盤、粗目電磁盤、電永磁夾、方陣
产品详情
磁性工具
磁性工具是一種利用磁力來固定、吸附與定位工件的輔助裝置,廣泛應用於磨床(Grinding Machines)與銑床(Milling Machines)。相比傳統的機械夾具,磁性工具具有操作簡便、效率高、精度穩定、節能安全等優勢。
【永久磁盤、強力磁盤、圓形磁盤、星目磁盤、旋轉磁盤、細目磁盤、粗目磁盤、超硬磁盤、迴轉磁盤、垂直型形磁盤、電磁盤、迴轉電磁盤、細目電磁盤、粗目電磁盤、電永磁夾、方陣列夾盤、星目電永磁夾盤、超強電永磁夾盤、整流器、控制器、脫磁機、除屑器、磁性吊盤、磁性座、萬向曲管、磁性吸塊】
我們的磁性工具類型
磁性工具的優勢
效率提升:快速吸附與釋放工件,縮短換件時間。
精度保障:磁力均勻分布,確保工件定位精準。
安全穩定:減少傳統夾具因震動造成的鬆動。
應用靈活:適用於精密磨削與重型銑削兩大加工領域。
5.節能環保:永久磁吸盤與電控永磁吸盤無需持續供電,更加節能。
台湾米其林34043 超強力永久磁盤
型号:MTL-1010A / MTL-1313A / MTL-1320A / MTL-1515A / MTL-1520A
● 針對特殊合金鋼、鎢鋼,弱磁反應之金屬,能達到吸磁效果。
● 開關式磁盤,ON-OFF須旋轉360度。
● 吸力超強,磁場強度可達3000高斯以上。
● 針對特殊鋼能有效吸著。
● 面板以硬焊結合,精度保持穩定。
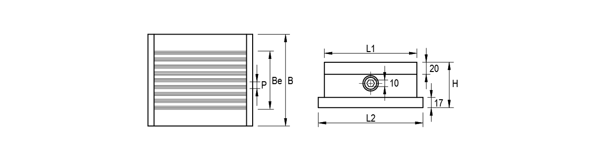
unit:mm
| 訂購編號 | 型號 | 磁盤尺寸 | 磁距 | ||||
| B | L1 | Be | L2 | H | P | ||
| 34043-10 | MTL-1010A | 105 | 105 | 50 | 125 | 94 | 11.2 ((1.6+2) + (1.6+6)) |
| 34043-15 | MTL-1313A | 125 | 125 | 72.4 | 145 | 80 | 11.2 ((1.6+2) + (1.6+6)) |
| 34043-20 | MTL-1320A | 125 | 200 | 72.4 | 220 | 80 | 11.2 ((1.6+2) + (1.6+6)) |
| 34043-25 | MTL-1515A | 150 | 150 | 94.8 | 170 | 80 | 11.2 ((1.6+2) + (1.6+6)) |
| 34043-30 | MTL-1520A | 150 | 200 | 94.8 | 220 | 80 | 11.2 ((1.6+2) + (1.6+6)) |












全国服务热线