磁性工具磁性工具是一種利用磁力來固定、吸附與定位工件的輔助裝置,廣泛應用於磨床(Grinding Machines)與銑床(Milling Machines)。相比傳統的機械夾具,磁性工具具有操作簡便、效率高、精度穩定、節能安全等優勢。【永久磁盤、強力磁盤、圓形磁盤、星目磁盤、旋轉磁盤、細目磁盤、粗目磁盤、超硬磁盤、迴轉磁盤、垂直型形磁盤、電磁盤、迴轉電磁盤、細目電磁盤、粗目電磁盤、電永磁夾、方陣
产品详情
磁性工具
磁性工具是一種利用磁力來固定、吸附與定位工件的輔助裝置,廣泛應用於磨床(Grinding Machines)與銑床(Milling Machines)。相比傳統的機械夾具,磁性工具具有操作簡便、效率高、精度穩定、節能安全等優勢。
【永久磁盤、強力磁盤、圓形磁盤、星目磁盤、旋轉磁盤、細目磁盤、粗目磁盤、超硬磁盤、迴轉磁盤、垂直型形磁盤、電磁盤、迴轉電磁盤、細目電磁盤、粗目電磁盤、電永磁夾、方陣列夾盤、星目電永磁夾盤、超強電永磁夾盤、整流器、控制器、脫磁機、除屑器、磁性吊盤、磁性座、萬向曲管、磁性吸塊】
我們的磁性工具類型
磁性工具的優勢
效率提升:快速吸附與釋放工件,縮短換件時間。
精度保障:磁力均勻分布,確保工件定位精準。
安全穩定:減少傳統夾具因震動造成的鬆動。
應用靈活:適用於精密磨削與重型銑削兩大加工領域。
5.節能環保:永久磁吸盤與電控永磁吸盤無需持續供電,更加節能。
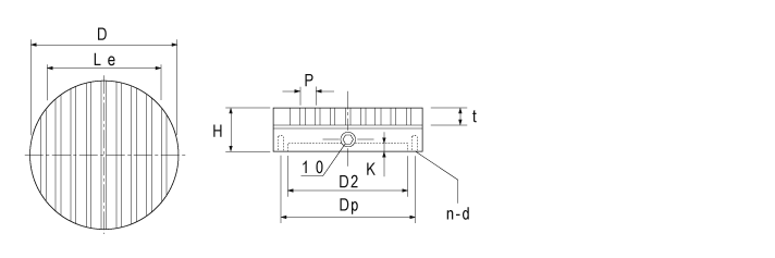
台湾米其林34042 粗目圓形磁盤
型号:HRC-13 / HRC-16 / HRC-20 / HRC-25 / HRC-30 / HRC-40 / HRC-50 / HRC-60
● 可安裝在旋轉研磨機器使用.
● 適合作一般的工件,精密研磨加工.
● 殘留磁性低,可提昇薄工件的研磨精密度.
● 可適度的調整磁力強弱.
● φ400以上為雙開關。
單位:mm
| 訂購編號 | 型號 | 磁盤尺寸 | 磁距 | 固定孔位 | 重量 (kg) | |||||||
| D | Le | t | H | P | D2 | K | Dp | n | d | |||
| 34042-12 | HRC-13 | φ125 | 80 | 18 | 65 | 11 (2+9) | 60 | 2 | 112 | 3 | M6 | 6.2 |
| 34042-16 | HRC-16 | φ160 | 115 | 18 | 65 | 11 (2+9) | 125 | 2 | 140 | 4 | M8 | 9.5 |
| 34042-20 | HRC-20 | φ200 | 155 | 18 | 65 | 11 (2+9) | 160 | 2 | 180 | 4 | M8 | 15 |
| 34042-25 | HRC-25 | φ250 | 205 | 18 | 65 | 15 (2+2+2+9) | 200 | 2 | 224 | 4 | M10 | 23 |
| 34042-30 | HRC-30 | φ300 | 255 | 18 | 70 | 16 (2+3+2+9) | 230 | 2 | 260 | 4 | M10 | 36 |
| 34042-40 | HRC-40 | φ400 | 340 | 18 | 63 | 16 (2+3+2+9) | 315 | 4 | 355 | 4 | M10 | 64 |
| 34042-50 | HRC-50 | φ500 | 440 | 20 | 65 | 16 (2+3+2+9) | 350 | 4 | 400 | 8 | M12 | 105 |
| 34042-60 | HRC-60 | φ600 | 540 | 20 | 75 | 16 (2+3+2+9) | 450 | 4 | 500 | 8 | M12 | 147 |












全国服务热线