磁性工具磁性工具是一種利用磁力來固定、吸附與定位工件的輔助裝置,廣泛應用於磨床(Grinding Machines)與銑床(Milling Machines)。相比傳統的機械夾具,磁性工具具有操作簡便、效率高、精度穩定、節能安全等優勢。【永久磁盤、強力磁盤、圓形磁盤、星目磁盤、旋轉磁盤、細目磁盤、粗目磁盤、超硬磁盤、迴轉磁盤、垂直型形磁盤、電磁盤、迴轉電磁盤、細目電磁盤、粗目電磁盤、電永磁夾、方陣
产品详情
磁性工具
磁性工具是一種利用磁力來固定、吸附與定位工件的輔助裝置,廣泛應用於磨床(Grinding Machines)與銑床(Milling Machines)。相比傳統的機械夾具,磁性工具具有操作簡便、效率高、精度穩定、節能安全等優勢。
【永久磁盤、強力磁盤、圓形磁盤、星目磁盤、旋轉磁盤、細目磁盤、粗目磁盤、超硬磁盤、迴轉磁盤、垂直型形磁盤、電磁盤、迴轉電磁盤、細目電磁盤、粗目電磁盤、電永磁夾、方陣列夾盤、星目電永磁夾盤、超強電永磁夾盤、整流器、控制器、脫磁機、除屑器、磁性吊盤、磁性座、萬向曲管、磁性吸塊】
我們的磁性工具類型
磁性工具的優勢
效率提升:快速吸附與釋放工件,縮短換件時間。
精度保障:磁力均勻分布,確保工件定位精準。
安全穩定:減少傳統夾具因震動造成的鬆動。
應用靈活:適用於精密磨削與重型銑削兩大加工領域。
節能環保:永久磁吸盤與電控永磁吸盤無需持續供電,更加節能。
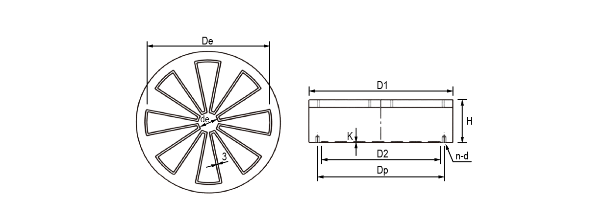
台湾米其林34034 強力圓形星目電磁盤
型号:ELCR-10S / ELCR-16S / ELCR-20S / ELCR-25S / ELCR-32S / ELCR-36S / ELCR-40S / ELCR-50S / ELCR-63S / ELCR-80S
● 適用車床、直立式車床、旋轉磨床等工作母機,研削及車削加工作業。
● 吸力超強,針對厚的工件,能有效吸著。
單位:mm
| 訂購編號 | 型號 | 磁盤尺寸 | 磁極數量 | 固定孔位 | 電壓 (DC/V) | 電流 (DC/A) | 重量 (kg) | |||||||
| D1 | De | de | H | D2 | K | n | d | Dp | ||||||
| 34034-10 | ELCR-10S | φ100 | 70 | 15 | 90 | 6 | 63 | 4 | M8 | 4 | 80 | 90 | 0.28A | 5.5 |
| 34034-16 | ELCR-16S | φ160 | 120 | 20 | 90 | 6 | 125 | 4 | M8 | 4 | 140 | 90 | 0.31A | 14.2 |
| 34034-20 | ELCR-20S | φ200 | 160 | 30 | 90 | 6 | 160 | 4 | M10 | 4 | 180 | 90 | 0.34A | 22.2 |
| 34034-25 | ELCR-25S | φ250 | 210 | 30 | 90 | 8 | 200 | 4 | M10 | 4 | 224 | 90 | 0.48A | 34.7 |
| 34034-32 | ELCR-32S | φ320 | 270 | 50 | 90 | 10 | 250 | 4 | M10 | 4 | 280 | 90 | 0.56A | 56.8 |
| 34034-36 | ELCR-36S | φ360 | 310 | 50 | 90 | 10 | 280 | 4 | M10 | 4 | 320 | 90 | 0.86A | 72 |
| 34034-40 | ELCR-40S | φ400 | 350 | 50 | 90 | 10 | 320 | 4 | M12 | 4 | 355 | 90 | 1.24A | 89 |
| 34034-50 | ELCR-50S | φ500 | 450 | 50 | 90 | 10 | 400 | 4 | M12 | 4 | 450 | 90 | 1.26A | 139 |
| 34034-63 | ELCR-63S | φ630 | 580 | 50 | 90 | 10 | 500 | 4 | M12 | 8 | 560 | 90 | 1.35A | 220 |
| 34034-80 | ELCR-80S | φ800 | 750 | 60 | 110 | 12 | 630 | 4 | M12 | 8 | 700 | 90 | 2.14A | 440 |












全国服务热线