磨床配件系列[ EDM, 線切割萬力, 放電加工萬力, 角度治具, 正弦磁座 ]在精密研磨與加工中,除了砂輪與磨床本身,研磨配件扮演著輔助定位、固定與校正的重要角色。常見的配件包括 角度墊塊(Angle Blocks)、平行板(Parallel Blocks / Parallels)、V 型塊(V-Blocks)。這些配件能幫助工件在磨削過程中保持穩定與精準,提高加工效率與產品品質。如何挑選合適的
产品详情
磨床配件系列
[ EDM, 線切割萬力, 放電加工萬力, 角度治具, 正弦磁座 ]
在精密研磨與加工中,除了砂輪與磨床本身,研磨配件扮演著輔助定位、固定與校正的重要角色。常見的配件包括 角度墊塊(Angle Blocks)、平行板(Parallel Blocks / Parallels)、V 型塊(V-Blocks)。
這些配件能幫助工件在磨削過程中保持穩定與精準,提高加工效率與產品品質。
如何挑選合適的磨床研磨配件?
根據工件材質與形狀,選擇適合的配件(角度、平行、V 型)。
確認配件的 精度等級(如 ±0.005mm)。
考慮耐用度與加工環境。
選擇具有良好品牌信譽與售後服務的產品。
角度墊塊 / 正弦座 /V型塊
磁性V型座 : 用於固定圓柱形或圓軸工件,提供穩定夾持與高精度定位,方便加工與檢測。
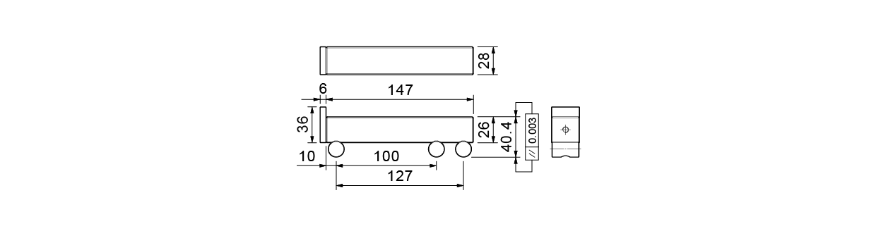
台湾米其林33126 正弦棒
型号:MCL-P100
● 正弦棒可量測或校正角度的準確性。
● 墊輪中心距離設定為100MM,亦可調整為5ʺ使用。
● 兩墊輪中心精度:0.004mm內。
● 平行精密度:0.003mm內。
● 材質:YK30. 硬度:HRC56°±2
● 重量 N.W.:1kg












全国服务热线