磨床配件系列[ EDM, 線切割萬力, 放電加工萬力, 角度治具, 正弦磁座 ]在精密研磨與加工中,除了砂輪與磨床本身,研磨配件扮演著輔助定位、固定與校正的重要角色。常見的配件包括 角度墊塊(Angle Blocks)、平行板(Parallel Blocks / Parallels)、V 型塊(V-Blocks)。這些配件能幫助工件在磨削過程中保持穩定與精準,提高加工效率與產品品質。如何挑選合適的
产品详情
磨床配件系列
[ EDM, 線切割萬力, 放電加工萬力, 角度治具, 正弦磁座 ]
在精密研磨與加工中,除了砂輪與磨床本身,研磨配件扮演著輔助定位、固定與校正的重要角色。常見的配件包括 角度墊塊(Angle Blocks)、平行板(Parallel Blocks / Parallels)、V 型塊(V-Blocks)。
這些配件能幫助工件在磨削過程中保持穩定與精準,提高加工效率與產品品質。
如何挑選合適的磨床研磨配件?
根據工件材質與形狀,選擇適合的配件(角度、平行、V 型)。
確認配件的 精度等級(如 ±0.005mm)。
考慮耐用度與加工環境。
選擇具有良好品牌信譽與售後服務的產品。
角度墊塊 / 正弦座 /V型塊
磁性V型座 : 用於固定圓柱形或圓軸工件,提供穩定夾持與高精度定位,方便加工與檢測。
台湾米其林33075 V型塊
型号:MCL-A2 / MCL-A3 / MCL-A4 / MCL-A5 / MCL-A6 / MCL-A7 / MCL-A8 / MCL-A9 / MCL-A10
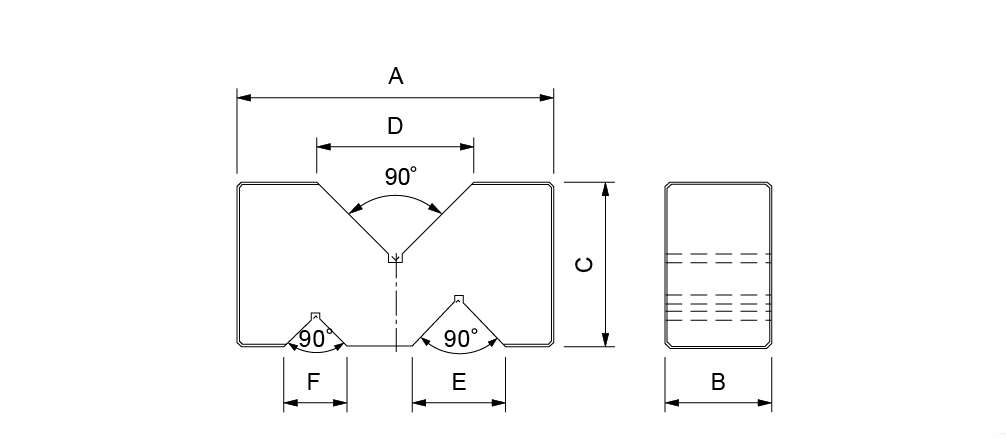
● 此款V型塊兩個為一組,尺寸相同,V型槽角度精準。
● 經精密研磨,可檢驗心軸的同心度。
■ 規格:
● 材質:SK2
● 硬度:HRC56°±2
● V型槽精密度:0.005mm內
單位:mm
| 訂購編號 | 型號 | A | B | C | D | E | F | 重量 (kg) |
| 33075-02 | MCL-A2 | 50 | 19 | 24 | 24 | 17 | 13 | 0.3 |
| 33075-03 | MCL-A3 | 75 | 24 | 35 | 37 | 24 | 16 | 0.7 |
| 33075-04 | MCL-A4 | 100 | 33 | 52 | 50 | 30 | 20 | 2.0 |
| 33075-05 | MCL-A5 | 125 | 44 | 69 | 63 | 37 | 26 | 4.6 |
| 33075-06 | MCL-A6 | 150 | 50 | 80 | 75 | 45 | 30 | 8.0 |
| 33075-07 | MCL-A7 | 175 | 62 | 90 | 87 | 50 | 35 | 13.0 |
| 33075-08 | MCL-A8 | 200 | 70 | 110 | 100 | 60 | 40 | 20.2 |
| 33075-09 | MCL-A9 | 250 | 102 | 122 | 126 | 75 | 50 | 25.5 |
| 33075-10 | MCL-A10 | 300 | 120 | 150 | 150 | 90 | 60 | 53.0 |












全国服务热线