磨床配件系列[ EDM, 線切割萬力, 放電加工萬力, 角度治具, 正弦磁座 ]在精密研磨與加工中,除了砂輪與磨床本身,研磨配件扮演著輔助定位、固定與校正的重要角色。常見的配件包括 角度墊塊(Angle Blocks)、平行板(Parallel Blocks / Parallels)、V 型塊(V-Blocks)。這些配件能幫助工件在磨削過程中保持穩定與精準,提高加工效率與產品品質。如何挑選合適的
产品详情
磨床配件系列
[ EDM, 線切割萬力, 放電加工萬力, 角度治具, 正弦磁座 ]
在精密研磨與加工中,除了砂輪與磨床本身,研磨配件扮演著輔助定位、固定與校正的重要角色。常見的配件包括 角度墊塊(Angle Blocks)、平行板(Parallel Blocks / Parallels)、V 型塊(V-Blocks)。
這些配件能幫助工件在磨削過程中保持穩定與精準,提高加工效率與產品品質。
如何挑選合適的磨床研磨配件?
根據工件材質與形狀,選擇適合的配件(角度、平行、V 型)。
確認配件的 精度等級(如 ±0.005mm)。
考慮耐用度與加工環境。
選擇具有良好品牌信譽與售後服務的產品。
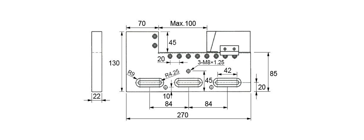
30101 線切割萬力 (不銹鋼)
型号:EDM-100
● 精密線切割萬力,不銹鋼材質,真空熱處理後經深冷處理再進行研磨加工,因此本體不易變形。
■ 規格:
● 平行度:±0.002mm內
● 直角度:±0.002mm內
● 材質:SUS440(不銹鋼)
● 熱處理硬度: HRC45°~55°
● 重量:4.5kg












全国服务热线