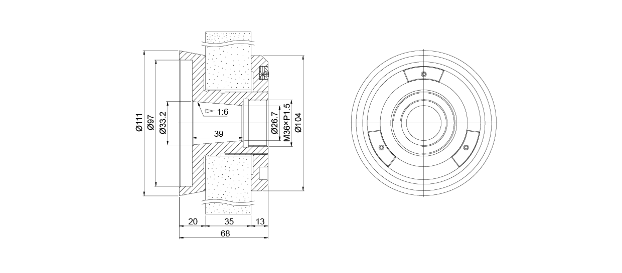
台湾米其林33131-48 法蘭組 (岡本52DX)
33131-48 法蘭組 (岡本52DX)型号:PSG-52DX●適用於岡本PSG-52DX磨床系列機床主軸。
全国服务热线:
18913177528
在线咨询
产品详情
33131-48 法蘭組 (岡本52DX)
型号:PSG-52DX
● 適用於岡本PSG-52DX磨床系列機床主軸。












全国服务热线