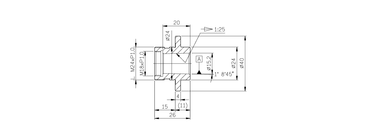
台湾米其林33134-62 法蘭組 (PGX-2500)
33134-62 法蘭組 (PGX-2500)型号:MCL-2500●●適用於瀚喬PGX-2500磨床系列機床主軸。
全国服务热线:
18913177528
在线咨询
产品详情
33134-62 法蘭組 (PGX-2500)
型号:MCL-2500
●● 適用於瀚喬PGX-2500磨床系列機床主軸。












全国服务热线