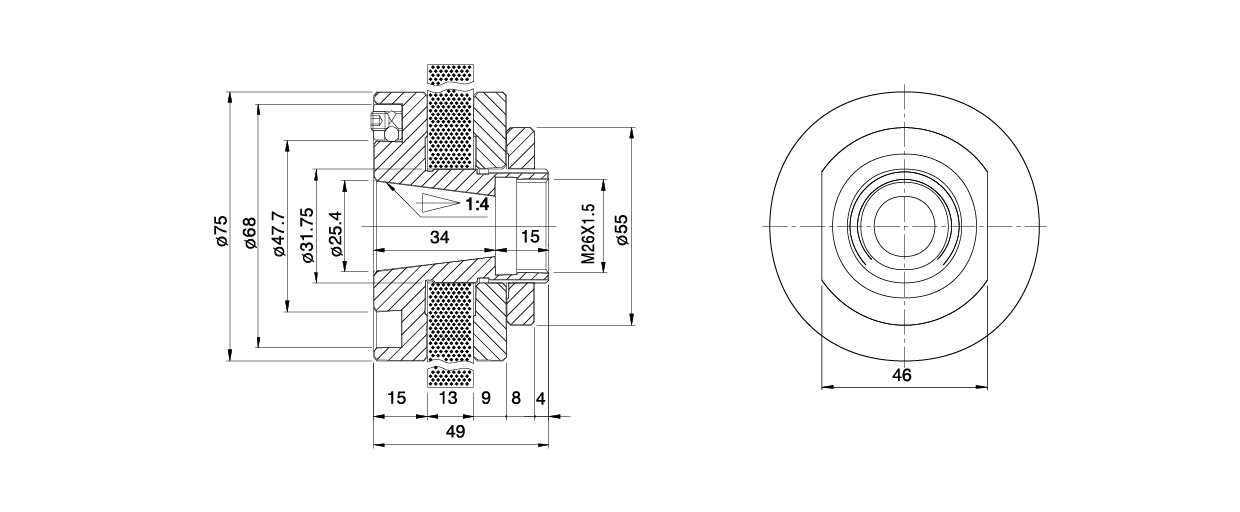
法蘭相關 [ 法蘭, 砂輪穀, 平衡台, 砂輪架, 法蘭板手, 紅丹, 青丹 ] 砂輪法蘭(Grinding Wheel Flange) 是磨床機台中不可或缺的固定零件,用於安裝、支撐與固定砂輪。透過砂輪法蘭的精密夾持,砂輪能保持正確的中心定位與靜平衡,在高速運轉下依然穩定,避免震動與偏擺,確保磨削加工的精度與安全性,延長砂輪與機台壽命。 砂輪平衡台 是磨床機台的重要輔助工具,用來檢測與調整砂輪的靜平衡。砂輪若不平衡,容易造成震動,影響加工精度與機台壽命。
产品详情
法蘭相關
[ 法蘭, 砂輪穀, 平衡台, 砂輪架, 法蘭板手, 紅丹, 青丹 ]
砂輪法蘭(Grinding Wheel Flange) 是磨床機台中不可或缺的固定零件,用於安裝、支撐與固定砂輪。透過砂輪法蘭的精密夾持,砂輪能保持正確的中心定位與靜平衡,在高速運轉下依然穩定,避免震動與偏擺,確保磨削加工的精度與安全性,延長砂輪與機台壽命。
砂輪平衡台 是磨床機台的重要輔助工具,用來檢測與調整砂輪的靜平衡。砂輪若不平衡,容易造成震動,影響加工精度與機台壽命。
台湾米其林33130-05 法蘭組 (大同EN350)
型号:MCL-EN350
● 適用於大同EN350磨床系列機床主軸。













全国服务热线