31140 超精密電動三爪沖子成型器型号:PGA700●PGA700超精密三爪沖子成型器(防水型)具較佳之結構強度與耐用性,具防水特性。由馬達帶動,可避免手搖而產生疲勞現象。可在短時間內研磨沖子成圓形。超精密SC40夾頭精確夾持圓形零件。●PGA700沖子成型器為方便使用,特別加上特殊設計三爪夾頭,可快速的將工件夾持使用。所以較適用 於大批量的生產使用。●附有扭力板手可供操作者方便使用。●採用
产品详情
31140 超精密電動三爪沖子成型器
型号:PGA700
● PGA700超精密三爪沖子成型器(防水型)具較佳之結構強度與耐用性,具防水特性。由馬達帶動,可避免手搖而產生疲勞現象。可在短時間內研磨沖子成圓形。超精密SC40夾頭精確夾持圓形零件。
● PGA700沖子成型器為方便使用,特別加上特殊設計三爪夾頭,可快速的將工件夾持使用。所以較適用 於大批量的生產使用。
● 附有扭力板手可供操作者方便使用。
● 採用高精密雙組軸承的主軸設計,以達到高精度、高剛性及穩定性。並有傳統型數倍以上的壽命。
● 不銹鋼材質製作,不銹且易於保養。
● 三爪夾頭非不鏽鋼製作。
■ 規格:
● 中心高度:85±0.5mm
● 貫穿孔直徑:φ36mm
● 三爪孔徑:φ25mm
● 最小夾持範圍:φ1mm
● 最大夾持範圍:φ25mm
● 主座回轉精度:0.003mm
● 三爪卡盤重複夾持精度:0.003mm內
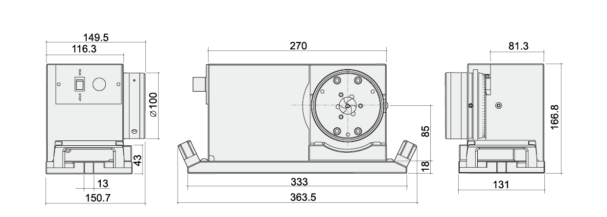
單位:mm
| 訂購編號 | 型號 | 定位夾具規格 | 馬達 | 重 量 (kg) |
| 31140-11 | PGA700x110V | SC40 | 110V / 60Hz 50-550 R.P.M | 31 |
| 31140-22 | PGA700x220V | SC40 | 220V / 50Hz 50-550 R.P.M | 31 |












全国服务热线