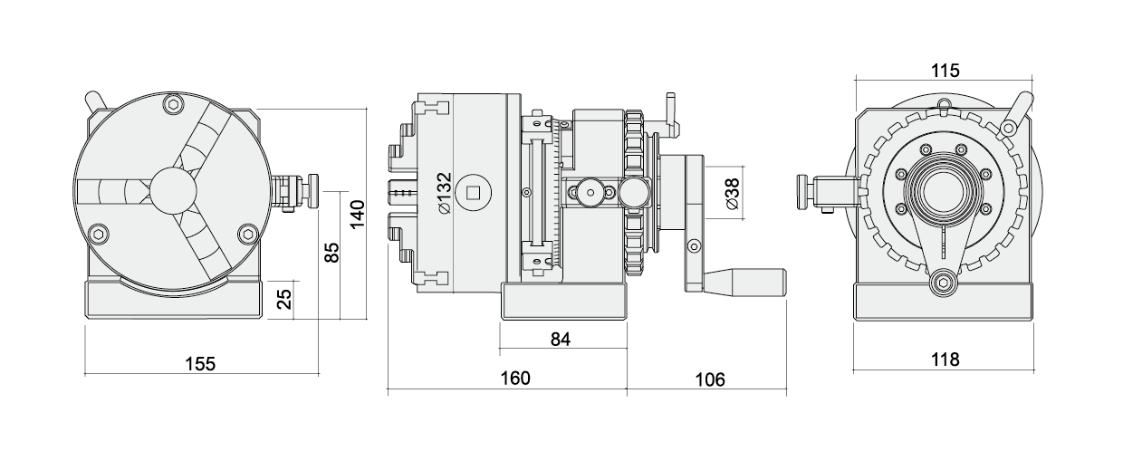
31105 精密級三爪沖子成型器型号:PG75●PG75精密三爪沖子成型器(防水型)具較佳結構之強度與耐用性,具防水特性。●PG75沖子成型器為方便使用,特別加上三爪夾頭,可快速的將工件夾持使用。●附有反爪配件可供較大外徑工件的夾持。●採用高精密雙組軸承的主軸設計,以達到高精度●及穩定性。並有傳統型數倍以上的壽命。●不銹鋼材質製作,不銹且易於保養。●三爪夾頭非不鏽鋼製作。■規格:● 中心高度:85
产品详情
31105 精密級三爪沖子成型器
型号:PG75
● PG75精密三爪沖子成型器(防水型)具較佳結構之強度與耐用性,具防水特性。
● PG75沖子成型器為方便使用,特別加上三爪夾頭,可快速的將工件夾持使用。
● 附有反爪配件可供較大外徑工件的夾持。
● 採用高精密雙組軸承的主軸設計,以達到高精度
● 及穩定性。並有傳統型數倍以上的壽命。
● 不銹鋼材質製作,不銹且易於保養。
● 三爪夾頭非不鏽鋼製作。
■ 規格:
● 中心高度:85±0.5mm
● 分割24等份、分度15度.±5"
● 貫穿孔直徑:φ32mm
● 三爪孔徑:φ32mm
● 最小夾持範圍:外徑φ3mm,內徑φ35mm
● 最大夾持範圍:外徑φ110mm,內徑φ110mm
● 主座回轉精度:0.003mm
● 三爪卡盤重複夾持精度:0.015mm
● 重量:14.8KG












全国服务热线