31090 精密級多功能沖子成型器-主體型号:PG60●PG60多功能沖子成型器-主體(防水型)具較佳結構之強度與耐用性,具防水特性。不銹鋼材質,不銹且易於保養。●採用高精密雙組軸承的主軸設計,以達到高精度及穩定性。並且不銹,並有傳統型數倍以上的壽命,具有模組化功能。●可接合替換各種形式的用途:如SC40、SC04、SC05三爪夾頭,ER20、ER32、ER50等各式的筒夾,以及3R24、3R28
产品详情
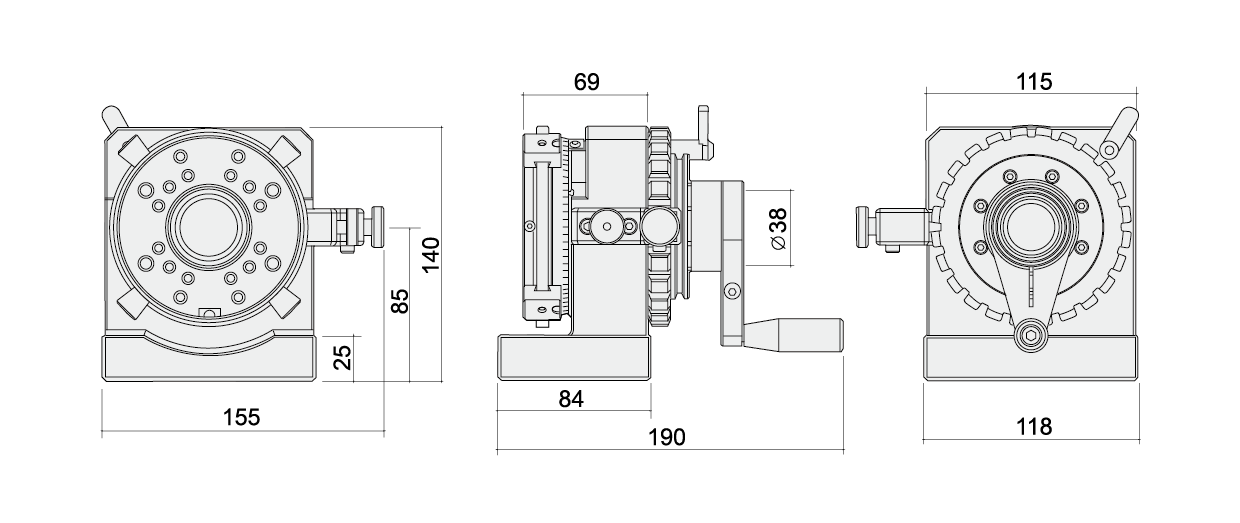
31090 精密級多功能沖子成型器-主體
型号:PG60
● PG60多功能沖子成型器-主體(防水型)具較佳結構之強度與耐用性,具防水特性。不銹鋼材質,不銹且易於保養。
● 採用高精密雙組軸承的主軸設計,以達到高精度及穩定性。並且不銹,並有傳統型數倍以上的壽命,具有模組化功能。
● 可接合替換各種形式的用途:如SC40、SC04、SC05三爪夾頭,ER20、ER32、ER50等各式的筒夾,以及3R24、3R28、EQC50、EQC100定位夾具。
● 依加工需求,本機可組合搭配選購多種配件互換使用,已達到節約成本。
● 模組化。
● 高剛性。
● 高精確度。
● 高穩定性。
● 強大的夾緊力。
● 多種夾持器尺寸。
● 靈活、方便、快捷。
● 獨特設計,且為不銹鋼淬火製成,
● 表面進行特殊處理,使用壽命提高數倍。
● 重量:7.8KG












全国服务热线