台湾米其林31025 電動沖子研磨機
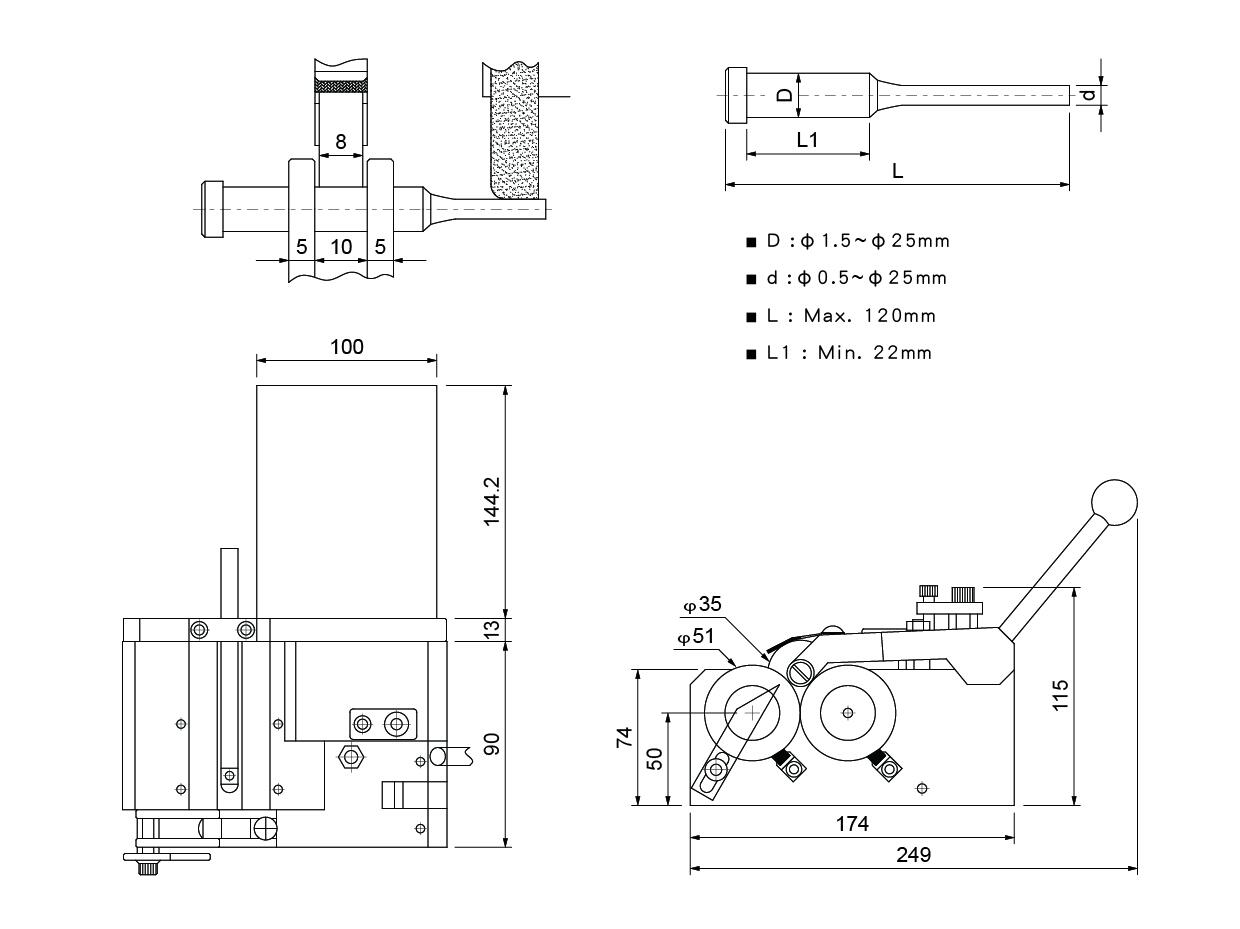
31025 電動沖子研磨機型号:MCL-250■特性:電動沖子研磨器是由馬達帶動,可避免手搖疲勞現象。雙滾輪設計,挾持圓形沖頭時無須調整校正中心。可配合正弦磁台使用,研磨各種斜度。■規格:滾輪挾持範圍:φ1.5~φ25mm工件長度:20~120mm伸出研磨長度:5~35mm以內研磨精度:0.005mm以內單位:mm訂購編號型號馬達重量31025-11MCL-250*110V110V/60HZ 12
全国服务热线:
18913177528
在线咨询
产品详情
31025 電動沖子研磨機
型号:MCL-250
■ 特性:
電動沖子研磨器是由馬達帶動,可避免手搖疲勞現象。
雙滾輪設計,挾持圓形沖頭時無須調整校正中心。
可配合正弦磁台使用,研磨各種斜度。
■ 規格:
滾輪挾持範圍:φ1.5~φ25mm
工件長度:20~120mm
伸出研磨長度:5~35mm以內
研磨精度:0.005mm以內
單位:mm
| 訂購編號 | 型號 | 馬達 | 重量 |
| 31025-11 | MCL-250*110V | 110V/60HZ 129R.P.M | 11kg |
| 31025-22 | MCL-250*220V | 220V/50HZ 108R.P.M | 11kg |












全国服务热线