沖子研磨機.成型器什麼是磨床用沖子研磨機?磨床用沖子研磨機是一種專門設計用來 研磨沖壓模具沖子(Punch) 的精密設備。沖子在長時間使用後容易磨損或鈍化,會影響沖孔精度與產品品質。透過沖子研磨機,可以快速修磨沖子,保持尖銳度與精度,延長模具壽命。主要用途 :修磨磨損或鈍化的沖子調整沖子尺寸與角度提升沖孔精度與產品品質延長模具與工具的使用壽命為什麼選擇磨床用沖子研磨機?若你從事 模具加工、金屬沖壓
产品详情
沖子研磨機.成型器
什麼是磨床用沖子研磨機?
磨床用沖子研磨機是一種專門設計用來 研磨沖壓模具沖子(Punch) 的精密設備。沖子在長時間使用後容易磨損或鈍化,會影響沖孔精度與產品品質。透過沖子研磨機,可以快速修磨沖子,保持尖銳度與精度,延長模具壽命。
主要用途 :
修磨磨損或鈍化的沖子
調整沖子尺寸與角度
提升沖孔精度與產品品質
延長模具與工具的使用壽命
為什麼選擇磨床用沖子研磨機?
若你從事 模具加工、金屬沖壓、電子零件製造或汽車零部件生產,磨床用沖子研磨機能幫助你維持穩定的加工品質,同時降低維護成本,是工業製造中不可或缺的高精度研磨設備。
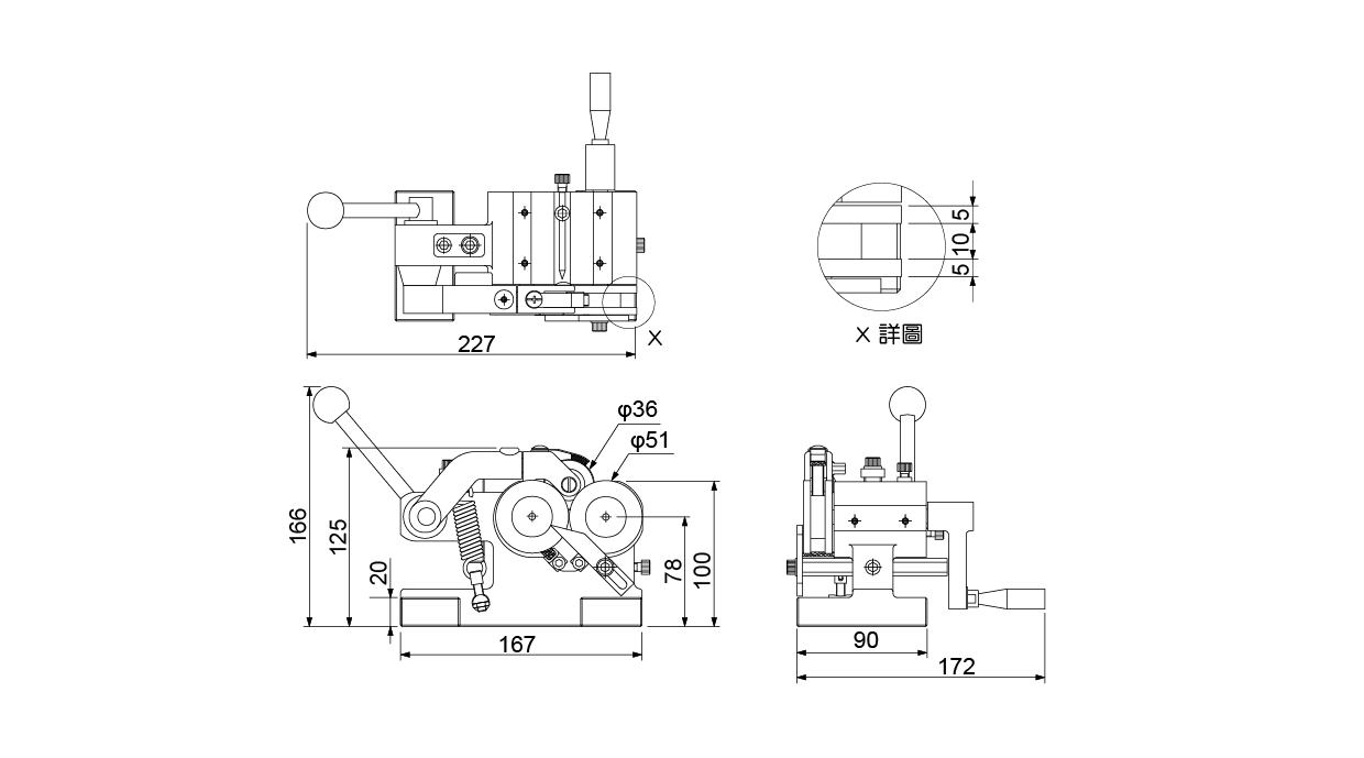
31015 沖子研磨機
| 型號: | MCL-150 |
■ 特性:
手搖沖子研磨器可裝置在平面磨床上使用,挾持圓形沖頭時無須調整,即可得同心圓。
可調整旋轉按壓滾輪左右方向,使工件前進或後退,再做研磨。
配合加工不同尺寸的沖子,在壓力臂上之壓力螺絲可調查壓力大小,使其加工更穩固。
■ 規格:
滾輪挾持範圍:φ1.5~φ25mm
伸出研磨長度:5~35mm以內
研磨精度:0.005mm以內
重量:6kg












全国服务热线