台湾米其林31011-05 小型沖子研磨器
沖子研磨機.成型器什麼是磨床用沖子研磨機?磨床用沖子研磨機是一種專門設計用來 研磨沖壓模具沖子(Punch) 的精密設備。沖子在長時間使用後容易磨損或鈍化,會影響沖孔精度與產品品質。透過沖子研磨機,可以快速修磨沖子,保持尖銳度與精度,延長模具壽命。主要用途 :修磨磨損或鈍化的沖子調整沖子尺寸與角度提升沖孔精度與產品品質延長模具與工具的使用壽命為什麼選擇磨床用沖子研磨機?若你從事 模具加工、金屬沖壓
全国服务热线:
18913177528
在线咨询
产品详情
沖子研磨機.成型器
什麼是磨床用沖子研磨機?
磨床用沖子研磨機是一種專門設計用來 研磨沖壓模具沖子(Punch) 的精密設備。沖子在長時間使用後容易磨損或鈍化,會影響沖孔精度與產品品質。透過沖子研磨機,可以快速修磨沖子,保持尖銳度與精度,延長模具壽命。
主要用途 :
修磨磨損或鈍化的沖子
調整沖子尺寸與角度
提升沖孔精度與產品品質
延長模具與工具的使用壽命
為什麼選擇磨床用沖子研磨機?
若你從事 模具加工、金屬沖壓、電子零件製造或汽車零部件生產,磨床用沖子研磨機能幫助你維持穩定的加工品質,同時降低維護成本,是工業製造中不可或缺的高精度研磨設備。
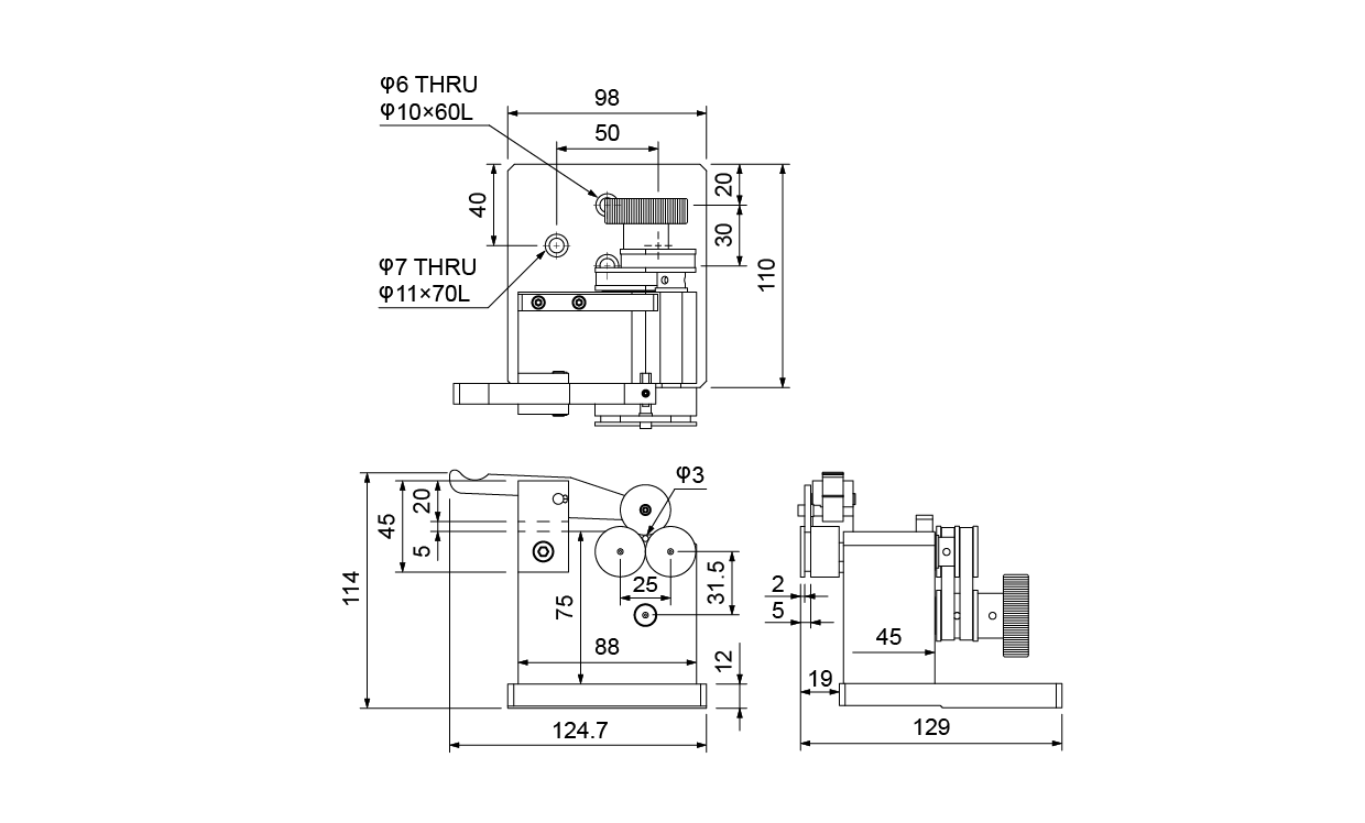
31011-05 小型沖子研磨器
| 型號: | MCL-3DC |
適合小型精之沖針作精密研磨加工。
適用夾持範圍:φ3~φ15MM。












全国服务热线