台湾米其林21256 零點定位系統
零點定位系統 [ 零點定位, 定位系統, 快速變換系統 ] 解決頻繁換線困擾,縮短待機時間, 加工平台模組化, 進而提升工作效率
全国服务热线:
18913177528
在线咨询
产品详情
21256 零點定位系統
零點定位系統 (Zero Point Clamping System) 是一種高精度、快速換裝的工裝定位與夾緊方案。透過「零點」作為基準點,工件或夾具能在機床上進行快速、準確的安裝與拆卸,大幅減少換裝時間並提升加工效率。
為什麼選擇零點定位系統?
採用零點定位系統,不僅能縮短換裝時間,還能提升加工精度與優化生產流程,幫助企業在競爭激烈的製造業中保持優勢。
零點定位系統的優勢
1. 快速換裝:減少工件安裝與定位時間,提升生產效率。
2. 高精度定位:重複定位精度可達 0.005mm 以內,確保加工品質。
3. 提高機台稼動率:縮短機床停機時間,產能最大化。
4. 模組化應用:可搭配不同夾具與治具,適用於 CNC 機床、檢測與自動化產線。
| 型號: | ZPS-32-2RL / ZPS-22-2RL |
▍優化生產中工件的夾持和換裝,並縮短機台的交換時間,節省成本增加機台實際加工時間。
▍重複定位精度高,定位和夾持同步實現
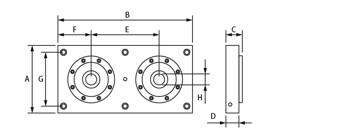
單位:mm
| 訂購編號 | 型號 | A | B | C | D | E | F | G | H | 夾持力 | 拉力 | 重量 (kg) |
|---|---|---|---|---|---|---|---|---|---|---|---|---|
| 21256-05 | ZPS-32-2RL | 196 | 396 | 53 | 43 | 200 | 98 | 160 | 32 | 20KN | 55KN | 22 |
| 21256-10 | ZPS-22-2RL | 150 | 300 | 48 | 38 | 150 | 75 | 100 | 22 | 10KN | 25KN | 12 |












全国服务热线