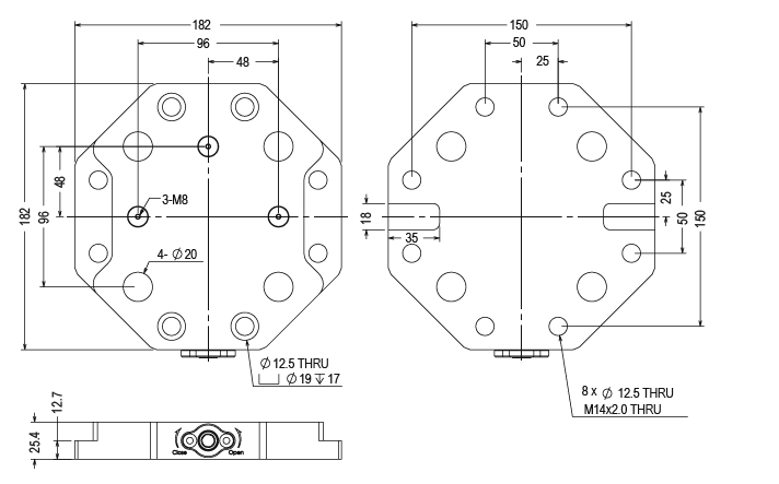
台湾米其林21062 96P 快速交換盤
[ 定位盤, 交換盤, 96P/52P, 轉接盤 ] 高精度的重複性,定位孔距有52mm / 96mm 兩種規格,適合應用於立式或臥式加工中心機、3軸/5軸CNC機台,快速更換模板,縮短待機時間, 提升工作效率。21062 96P 快速交換盤型号:MCL-260500► 本體採用高級工具鋼 SCM440 硬度達HRC50°以上。►重複定位精度為±0.005MM。單位:mm訂購編號型號尺寸夾持力重複精度扭力重量21062-05MCL-26050025.4*182*182mm15000N0.005mmMax
全国服务热线:
18913177528
在线咨询
产品详情
21062 96P 快速交換盤
型号:MCL-260500
► 本體採用高級工具鋼 SCM440 硬度達HRC50°以上。
► 重複定位精度為±0.005MM。
單位:mm
| 訂購編號 | 型號 | 尺寸 | 夾持力 | 重複精度 | 扭力 | 重量 |
|---|---|---|---|---|---|---|
| 21062-05 | MCL-260500 | 25.4*182*182mm | 15000N | 0.005mm | Max.30Nm | 4.3kg |












全国服务热线