台湾米其林21355 快速定位盤
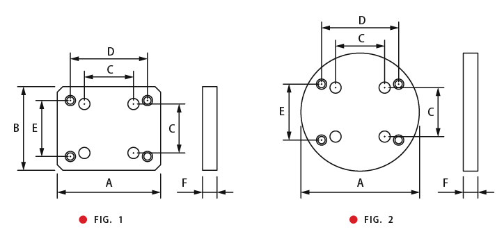
[ 定位盤, 交換盤, 96P/52P, 轉接盤 ] 高精度的重複性,定位孔距有52mm / 96mm 兩種規格,適合應用於立式或臥式加工中心機、3軸/5軸CNC機台,快速更換模板,縮短待機時間, 提升工作效率。21355 快速定位盤型號:MQL-96P / MQL-52P / MQL-96PR / MQL-52PR▍支援兩種標準化快速定位尺寸:52/96 mm,適合搭配 No. 21310 定位系列產品。單位:mm訂購編號型號ABCDEFFIG.重量 (kg)21355-05MQL-96P192156
全国服务热线:
18913177528
在线咨询
产品详情
21355 快速定位盤
| 型號: | MQL-96P / MQL-52P / MQL-96PR / MQL-52PR |
▍支援兩種標準化快速定位尺寸:52/96 mm,適合搭配 No. 21310 定位系列產品。
單位:mm
| 訂購編號 | 型號 | A | B | C | D | E | F | FIG. | 重量 (kg) |
|---|---|---|---|---|---|---|---|---|---|
| 21355-05 | MQL-96P | 192 | 156 | 96 | 150 | 100 | 27 | 1 | 6 |
| 21355-10 | MQL-52P | 150 | 116 | 52 | 100 | 50 | 27 | 1 | 6.5 |
| 21355-15 | MQL-96PR | 220 | - | 96 | 150 | 100 | 27 | 2 | - |
| 21355-20 | MQL-52PR | 180 | - | 52 | 100 | 50 | 27 | 2 | - |












全国服务热线