台湾米其林36053 兩軸自動求心氣壓夾盤
台湾米其林36052 內藏式中空(氣)油壓三爪夾盤型号:MO-04A / MO-05A / MO-06A / MO-08A / MO-10A / MO-12A●內藏式中空油壓夾盤適用於工作台面的鑽、銑加工而設計。●氣缸防鏽處理:在潮濕及工作環境較差的情況,氣缸內部經防鏽處理,部會生鏽或卡死。●防塵裝置:在工作檯上的鑽銑工作、切削及冷卻液不易進入夾盤內部,確保夾盤的使用壽命及精度。●內藏式油缸特性:
全国服务热线:
18913177528
在线咨询
产品详情
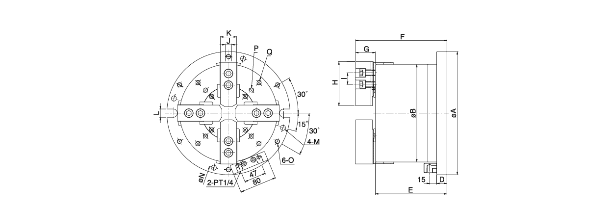
台湾米其林36053 兩軸自動求心氣壓夾盤
型号:
MA-06 / MA-08 / MA-10 ● 兩軸自動求心氣壓夾盤專供中心機及各式工作檯面的加工而設計,在X,Y兩軸間同時夾持任何異形工件具快速 自定工件中心之功能。 |
單位:mm
| 訂購編號 | 型號 | A | B | D | E | F | G | H | I | J | K | L | M | N | O | ||||
| 36053-56 | MA-06 | 224 | 175 | 20 | 130 | 170 | 40 | 73 | 20 | 12 | 31 | 18 | φ11 | φ202 | M10xP1.5(PCD(φ202) | ||||
| 36053-58 | MA-08 | 265 | 210 | 22 | 154 | 196 | 42 | 95 | 25 | 14 | 35 | 18 | φ11 | φ243 | M10xP1.5(PCD(φ243) | ||||
| 36053-60 | MA-10 | 315 | 250 | 25 | 176 | 222 | 46 | 110 | 30 | 16 | 40 | 18 | φ13 | φ285 | M12xP1.75(PCD(φ285) | ||||
| 型號 | P | Q | 柱塞行程 | A 活塞面積 | |
| 推力側 | 拉力側 | ||||
| MA-06 | 4-M8xP1.25 (PCDφ124) | 4-M8xP1.25(PCDφ156) | 12mm | 127cm² | 108cm² |
| MA-08 | 4-M10xP1.5(PCDφ140) | 4-M10xP1.5(PCDφ186) | 16mm | 184cm² | 157cm² |
| MA-10 | 4-M10xP1.5 (PCDφ176) | 4-M10xP1.5 (PCDφ224) | 19mm | 270cm² | 239cm² |
| 型號 | B 活塞面積 | 爪行程直徑 | 空壓夾持力 (7kgf/cm2)(0.7Mpa) | 夾持範圍 | 重量 (kg) | ||
| 推力側 | 拉力側 | ||||||
| MA-06 | 122cm² | 117cm² | 5.5mm | 4500 kgf | 44 KN | φ25~φ175 | 24.8 |
| MA-08 | 176cm² | 169cm² | 7.4mm | 6400 kgf | 63 KN | φ30~φ210 | 41.3 |
| MA-10 | 257cm² | 241cm² | 8.8mm | 9500 kgf | 93 KN | φ35~φ250 | 65.6 |












全国服务热线