台湾米其林36041 高速中空油壓迴轉缸
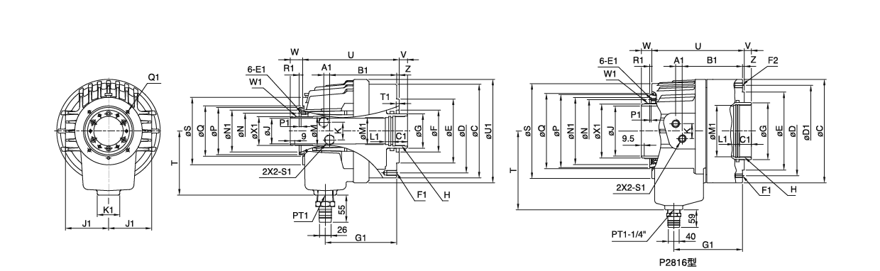
台湾米其林36041 高速中空油壓迴轉缸型号:P0928 / P1036 / P1246 / P1552 / P1875 / P2091 / P2511 / P2816●鋁合金外型構造,重量比傳統迴轉缸輕,形體結構小型化,在高速迴轉時,保持性能的穩定及減輕機械負擔。●內藏止回閥設計,於突發之壓降時仍可保持推力,在溫升時可防止油缸損壞。單位:mm訂購編號型號A1B1CC1DD1E(h7)E1FF1F
全国服务热线:
18913177528
在线咨询
产品详情
台湾米其林36041 高速中空油壓迴轉缸
型号:P0928 / P1036 / P1246 / P1552 / P1875 / P2091 / P2511 / P2816
● 鋁合金外型構造,重量比傳統迴轉缸輕,形體結構小型化,在高速迴轉時,保持性能的穩定及減輕機械負擔。
● 內藏止回閥設計,於突發之壓降時仍可保持推力,在溫升時可防止油缸損壞。
單位:mm
| 訂購編號 | 型號 | A1 | B1 | C | C1 | D | D1 | E (h7) | E1 | F | F1 | F2 |
| 36041-09 | P0928 | 9 | 109 | 120 | 25 | 100 | - | 80 | 8-M5xP0.8 | 60 | 6-M8*P1.25 | - |
| 36041-10 | P1036 | 11 | 120 | 136 | 25 | 115 | - | 100 | 6-M5xP0.8 | 65 | 6-M10*P1.5 | - |
| 36041-12 | P1246 | 12 | 126.5 | 155 | 30 | 130 | - | 100 | 6-M6*P1.0 | 80 | 12-M10xP1.5 | - |
| 36041-15 | P1552 | 12 | 136 | 190 | 30 | 170 | - | 130 | 6-M6xP1.0 | 85 | 12-M10*P1.5 | - |
| 36041-18 | P1875 | 17.5 | 154.5 | 215 | 35 | 190 | - | 160 | 6-M6*P1.0 | 125 | 12-M10xP1.5 | - |
| 36041-20 | P2091 | 21 | 168 | 240 | 35 | 215 | - | 180 | 6-M6xP1.0 | 140 | 12-M12*P1.75 | - |
| 36041-25 | P2511 | 27 | 191 | 310 | 45 | 275 | - | 230 | 6-M6xP1.0 | 166 | 12-M16*P2.0 | - |
| 36041-28 | P2816 | 22 | 201 | 345 | 45 | 298 | 305 | 260 | 6-M8xP1.25 | - | 12-M12xP1.75 | 12-M16xP2.0 |
| 型號 | G | G1 | H | J | J1 | K | K1 | L1 | M | M1 | N | N1 | P | P1 | Q |
| P0928 | 45 | 114 | M38xP1.5 | 28 | 60 | 25 | 46 | 15 | 34.6 | 34 | 44 | 53 | 59 | 4 | 64.8 |
| P1036 | 48 | 126 | M42xP1.5 | 36 | 68 | 32 | 46 | 15 | 44.6 | 38 | 55 | 64 | 73 | 6 | 80 |
| P1246 | 65 | 134 | M55xP2 | 46 | 76 | 36 | 46 | 15 | 52.9 | 50 | 64 | 76 | 85 | 4 | 90 |
| P1552 | 70 | 145 | M60xP2 | 52 | 87.5 | 36 | 46 | 15 | 59.6 | 55 | 73 | 85 | 96 | 4 | 102 |
| P1875 | 95 | 162 | M85xP2 | 75 | 101 | 36 | 46 | 15 | 84.6 | 80 | 98 | 108 | 121 | 4 | 131 |
| P2091 | 110 | 183 | M100xP2 | 91 | 110 | 36 | 46 | 15 | 99.6 | 95 | 108 | 120 | 138 | 4 | 147 |
| P2511 | 140 | 218 | M130*P2 | 117.5 | 135 | 40 | 46 | 15 | 134.6 | 125 | 148 | 160 | 178 | 5 | 184 |
| P2816 | 190 | 229 | W75xP3 | 166.5 | 180 | 50 | 60 | 15 | 185 | 171.5 | 210 | 224 | 244 | 5 | 250 |
| 型號 | Q1 | R1 | S | S1 | T | T1 | U | U1 | V max. | V min | W max. | W1 |
| P0928 | 4-M4xP0.7 (PCDφ76) | 5 | 95 | PT 1/4 | 105 | 4 | 159 | 137 | 9.05 | -0.95 | 33.95 | M34xP1.5 |
| P1036 | 4-M5xP0.8 (PCDφ88) | 5 | 105 | PT 3/8 | 115 | 6 | 179 | 154 | 10 | -5 | 39 | M44xP1.5 |
| P1246 | 4-M5xP0.8 (PCDφ98) | 6 | 116 | PT 1/2 | 115 | 6 | 184 | 172 | 10 | -5 | 40 | M52xP1.5 |
| P1552 | 4-M6xP1.0 (PCDφ110) | 7 | 135 | PT 1/2 | 130 | 6 | 196 | 210 | 17 | -5 | 47 | M58«P1.5 |
| P1875 | 4-M6xP1.0(PCDφ155) | 7 | 164 | PT 1/2 | 160 | 4 | 230 | 235 | 20 | -5 | 50 | M84xP2.0 |
| P2091 | 4-M6*P1.0 (PCDφ165) | 7 | 180 | PT 1/2 | 185 | 6 | 253 | 260 | 25 | -5 | 55 | M99xP2.0 |
| P2511 | 4-M6xP1.0(PCDφ206) | 7 | 230 | PT 1/2 | 210 | 7 | 304 | 302 | 24 | -6 | 55 | M134xP2.0 |
| P2816 | 6-M6xP1.0 (PCDφ275) | 7 | 316 | PT 3/4 | 262.5 | - | 308 | - | 24 | -6 | 65 | M185xP3.0 |
| 型號 | W min | X1 | Z | 活塞行程 | 最高迴轉速 (min-1) | 活塞直徑 | GD² (kg-m²) | 流量 (l/min) | 重量 (kg) |
| P0928 | 23.95 | 31.8 | 5 | 10mm | 8000 R.P.M | 90mm | 0.008 | 3.0 | - |
| P1036 | 24 | 42 | 5 | 15mm | 8000 R.P.M | 105mm | 0.012 | 3.0 | 9 |
| P1246 | 25 | 50 | 5 | 15mm | 7000 R.P.M | 125mm | 0.019 | 3.0 | 11.9 |
| P1552 | 25 | 56 | 5 | 22mm | 6200 R.P.M | 155mm | 0.053 | 3.9 | 17.3 |
| P1875 | 25 | 81 | 5 | 25mm | 4700 R.P.M | 180mm | 0.096 | 4.2 | 26.4 |
| P2091 | 25 | 96 | 5 | 30mm | 3800 R.P.M | 205mm | 0.16 | 4.5 | 37 |
| P2511 | 25 | 130 | 6 | 30mm | 2800 R.P.M | 250mm | 0.5 | 7.0 | 63 |
| P2816 | 35 | 180 | 6 | 30mm | 2000 R.P.M | 280mm | 3.5 | 8.4 | - |
| 型號 | 最高使用壓力 | 活塞面積 (cm²) | 最大推(拉)力 | |||||
| 推力側 | 拉力側 | 推力側 | 拉力側 | Pull Side | ||||
| P0928 | 40 kgf/cm² | 3.9 Mpa | 54 | 47.5 | 2000 kgf | 19.6 KN | 1750 kgf | 12.7 KN |
| P1036 | 40 kgf/cm² | 3.9 Mpa | 70 | 68 | 2500 kgf | 24.5 KN | 2400 kgf | 23.5 KN |
| P1246 | 40 kgf/cm² | 3.9 Mpa | 100 | 89 | 3700 kgf | 36.2 KN | 3200 kgf | 31.3 KN |
| P1552 | 40 kgf/cm² | 3.9 Mpa | 160 | 150 | 5900 kgf | 57.8 KN | 5500 kgf | 53.9 KN |
| P1875 | 40 kgf/cm² | 3.9 Mpa | 198 | 183 | 7200 kgf | 70.5 KN | 6700 kgf | 65.6 KN |
| P2091 | 40 kgf/cm² | 3.9 Mpa | 252 | 235 | 9200 kgf | 90.1 KN | 8600 kgf | 84.3 KN |
| P2511 | 40 kgf/cm² | 3.9 Mpa | 348 | 336 | 12400 kgf | 121.5 KN | 12000 kgf | 117.6 KN |
| P2816 | 40 kgf/cm² | 3.9 Mpa | 346 | 332 | 12200 kgf | 119.6 KN | 11800 kgf | 115.7 KN |












全国服务热线