台湾米其林36039 三爪中實油壓夾頭
台湾米其林36039 三爪中實油壓夾頭型号:CL-05 / CL-06 / CL-08 / CL-10 / CL-12 / CL-15 / CL-18單位:mm訂購編號型號主軸鼻端番號ABC(h6)DE36039-05CL-05A2-4135558063.513-36039-06CL-06A2-51657414082.5631536039-08CL-08A2-6(A2-5)21085170106.
全国服务热线:
18913177528
在线咨询
产品详情
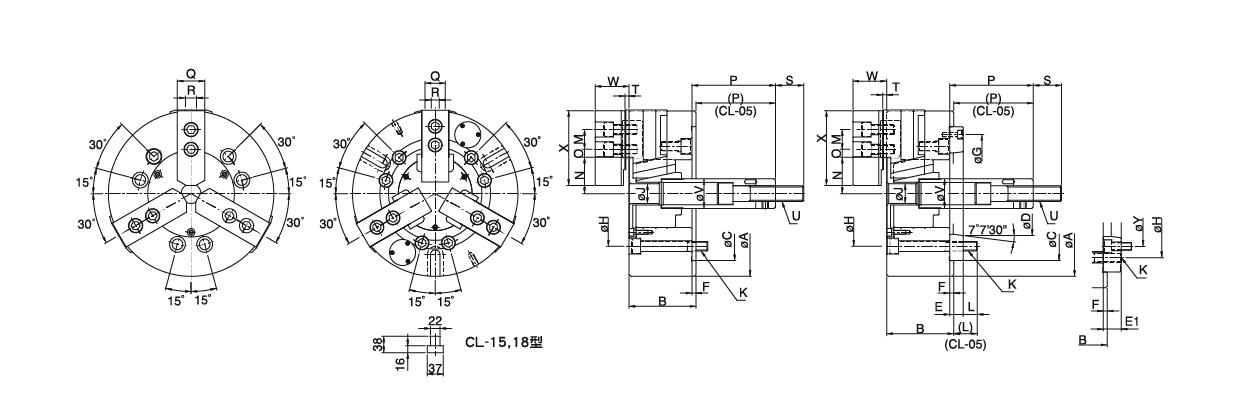
台湾米其林36039 三爪中實油壓夾頭
型号:CL-05 / CL-06 / CL-08 / CL-10 / CL-12 / CL-15 / CL-18
單位:mm
| 訂購編號 | 型號 | 主軸鼻端番號 | A | B | C (h6) | D | E |
| 36039-05 | CL-05 | A2-4 | 135 | 55 | 80 | 63.513 | - |
| 36039-06 | CL-06 | A2-5 | 165 | 74 | 140 | 82.563 | 15 |
| 36039-08 | CL-08 | A2-6(A2-5) | 210 | 85 | 170 | 106.375 | 17 |
| 36039-10 | CL-10 | A2-8(A2-6) | 254 | 89 | 220 | 139.719 | 18 |
| 36039-12 | CL-12 | A2-8 | 304 | 106 | 220 | 139.719 | 18 |
| 36039-15 | CL-15 | A2-11 | 381 | 114 | 300 | 196.869 | 22 |
| 36039-18 | CL-18 | A2-11 | 450 | 114 | 300 | 196.869 | 22 |
| 型號 | E1 | F | G | H | J | K | L | M | N max・ | N min. | O max. | O min. | P max. | P min. | Q | R |
| CL-05 | - | 7 | - | 100 | - | 3-M8xP1.25 | 14 | 14 | 30.4 | 27.2 | 17.1 | 9.6 | 9 | -6 | 25 | 10 |
| CL-06 | - | 5 | 116 | 104.8 | 21 | 6-M10xP1.5 | 14 | 20 | 37.8 | 33.25 | 15.1 | 9.1 | 101.5 | 81.5 | 31 | 12 |
| CL-08 | 23 | 5 | 150 | 133.4 | 25 | 6-M12xP1.75 | 18 | 25 | 46.3 | 41.9 | 22.1 | 10.1 | 127 | 106 | 35 | 14 |
| CL-10 | 28 | 5 | 190 | 171.4 | 34 | 6-M16*P2.0 | 25 | 30 | 51.4 | 47 | 30.6 | 9.6 | 158 | 133 | 40 | 16 |
| CL-12 | - | 6 | 190 | 171.4 | 34 | 6-M16*P2.0 | 25 | 30 | 60.7 | 55.45 | 48.6 | 12.6 | 163 | 133 | 50 | 18 |
| CL-15 | - | 6 | 260 | 235 | - | 6-M20xP2.5 | 32 | 43 | 69.05 | 60.97 | 58.05 | 40.05 | 104 | 69 | 62 | 25.5 |
| CL-18 | - | 6 | 260 | 235 | - | 6-M20xP2.5 | 32 | 43 | 99.46 | 91.38 | 58.05 | 40.05 | 92 | 57 | 62 | 25.5 |
| 型號 | S | T | U | V | W | X | Y | 柱塞行程 | 爪行程直徑 (Diameter) | 最高迴轉速 (min-1) |
| CL-05 | 35 | 2 | M12xP1.75 | 28 | 31 | 62 | - | 15mm | 6.4mm | 5500 R.P.M |
| CL-06 | 36 | 4 | M16*P2.0 | 34 | 39 | 73 | - | 20mm | 8.5mm | 5000 R.P.M |
| CL-08 | 36 | 5 | M20xP2.5 | 38 | 42 | 95 | 104.8 | 21mm | 8.8mm | 4600 R.P.M |
| CL-10 | 36 | 5 | M20xP2.5 | 45 | 46 | 110 | 133.4 | 25mm | 8.8mm | 4000 R.P.M |
| CL-12 | 36 | 5 | M20xP2.5 | 50 | 54 | 129 | - | 30mm | 10.5mm | 3200 R.P.M |
| CL-15 | 55 | 7 | M30xP3.5 | 60 | 68 | 165 | - | 35mm | 16mm | 3000 R.P.M |
| CL-18 | 55 | 7 | M30xP3.5 | 60 | 68 | 165 | - | 35mm | 16mm | 2700 R.P.M |
| 型號 | 最大拉力 | 最大靜夾持力 | 最大設定油壓壓力 | 搭配油壓缸編號/型號 | 夾持範圍 | 重量 (kg) | |
| CL-05 | 800 kgf | 2450 kgf | 25kgf/cm² | 2.5 Mpa | NO. 36037-15 L0815 | φ8 - φ135 | 6 |
| CL-06 | 1730 kgf | 5200 kgf | 25 kgf/cm² | 2.5 Mpa | NO. 36037-20 L1020 | φ18 - φ165 | 11.4 |
| CL-08 | 2440 kgf | 7440 kgf | 25kgf/cm² | 2.5 Mpa | NO. 36037-25 L1225 | φ12 - φ1210 | 21.9 |
| CL-10 | 2850 kgf | 10810 kgf | 29kgf/cm² | 2.8 Mpa | NO. 36037-25 L1225 | φ16 - φ1254 | 33.4 |
| CL-12 | 4080 kgf | 15500 kgf | 29kgf/cm² | ?.8 Mpa | NO. 36037-30 L1530 | φ18 - φ1304 | 58.5 |
| CL-15 | 8260 kgf | 25290 kgf | 32 kgf/cm² | J.1 Mpa | NO. 36037-35 L2035 | φ68 - φ1381 | 100.6 |
| CL-18 | 8260 kgf | 25290 kgf | 32kgf/cm² | J.1 Mpa | NO. 36037-35 L2035 | φ100 -φ1450 | 134.3 |












全国服务热线