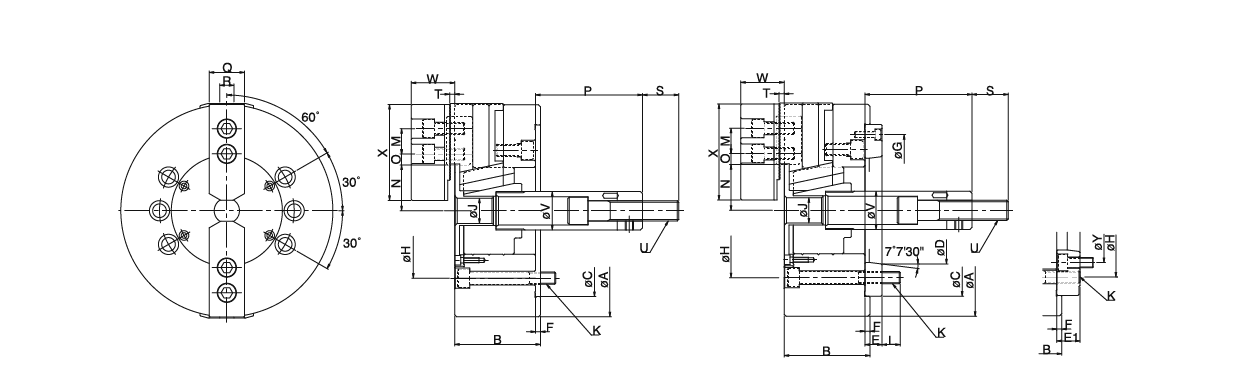
台湾米其林36038 二爪中實油壓夾頭
台湾米其林36038 二爪中實油壓夾頭型号:CLT-06 / CLT-08 / CLT-10 / CLT-12單位:mm訂購編號型號主軸鼻端番號ABC(h6)DEE1F36038-06CLT-06A2-51657414082.56315-536038-08CLT-08A2-6(A2-5)21085170106.3751723536038-10CLT-10A2-8(A2-6)25489220139.
全国服务热线:
18913177528
在线咨询
产品详情
台湾米其林36038 二爪中實油壓夾頭
型号:CLT-06 / CLT-08 / CLT-10 / CLT-12
單位:mm
| 訂購編號 | 型號 | 主軸鼻端番號 | A | B | C (h6) | D | E | E1 | F |
| 36038-06 | CLT-06 | A2-5 | 165 | 74 | 140 | 82.563 | 15 | - | 5 |
| 36038-08 | CLT-08 | A2-6(A2-5) | 210 | 85 | 170 | 106.375 | 17 | 23 | 5 |
| 36038-10 | CLT-10 | A2-8(A2-6) | 254 | 89 | 220 | 139.719 | 18 | 28 | 5 |
| 36038-12 | CLT-12 | A2-8 | 304 | 106 | 220 | 139.719 | 18 | - | 5 |
| 型號 | G | H | J | K | L | M | N max. | N min. | O max. | O min. |
| CLT-06 | 116 | 104.8 | 21 | 6-M10xP1.5 | 14 | 20 | 37.8 | 33.25 | 15.1 | 9.1 |
| CLT-08 | 150 | 133.4 | 25 | 6-M12xP1.75 | 18 | 25 | 46.3 | 41.9 | 22.1 | 10.1 |
| CLT-10 | 190 | 171.4 | 34 | & M16xP2.0 | 25 | 30 | 51.4 | 47 | 30.6 | 96 |
| CLT-12 | 190 | 171.4 | 34 | 6-M16xP2.0 | 25 | 30 | 60.7 | 55.45 | 48.6 | 12.6 |
| 型號 | P max. | P min. | Q | R | S | T | U | V | W | X | Y |
| CLT-06 | 101.5 | 81.5 | 31 | 12 | 36 | 4 | M16xP2.0 | 34 | 39 | 73 | - |
| CLT-08 | 127 | 106 | 35 | 14 | 36 | 5 | M20xP2.5 | 38 | 42 | 95 | 104.8 |
| CLT-10 | 158 | 133 | 40 | 16 | 36 | 5 | M20xP2.5 | 45 | 46 | 110 | 133.4 |
| CLT-12 | 163 | 133 | 50 | 18 | 36 | 5 | M20xP2.5 | 50 | 54 | 129 | - |
| 型號 | 柱塞行程 | 爪行程直徑 | 最高迴轉速 (min-1) | 最大拉力 | 最大靜夾持力 | |
| CLT-06 | 20mm | 8.5mm | 5000 R.P.M | 1220 kgf | 3460 kgf | 34 KN |
| CLT-08 | 21mm | 8.8mm | 4000 R.P.M | 1630 kgf | 4990 kgf | 49 KN |
| CLT-10 | 25mm | 8.8mm | 3500 R.P.M | 1930 kgf | 7140 kgf | 70 KN |
| CLT-12 | 30mm | 10.5mm | 3000 R.P.M | 2750 kgf | 10300 kgf | 101 KN |
| 型號 | 最大設定油壓壓力 | 搭配油壓缸 編號/型號 | 夾持範圍 | 重量 (kg) | |
| CLT-06 | 17 kgf/cm² | 1.7 Mpa | NO. 36037-20 L1020 | φ9 - φ165 | 11.1 |
| CLT-08 | 16 kgf/cm² | 1.6 Mpa | NO. 36037-25 L1225 | φ12 -φ210 | 21.3 |
| CLT-10 | 19 kgf/cm² | 1.9 Mpa | NO. 36037-25 L1225 | φ15-φ254 | 32.6 |
| CLT-12 | 20 kgf/cm² | 2.0 Mpa | NO. 36037-30 L1530 | φ20 -φ304 | 57 |












全国服务热线