台湾米其林36037 中實油壓迴轉缸
台湾米其林36037 中實油壓迴轉缸型号:L0815 / L1020 / L1225 / L1530 / L2035單位:mm訂購編號型號ABCDE(h6)FG(H8)H36037-15L0815751511590653021M20xP2.536037-20L102010520135100803021M20xP2.536037-25L1225125251601301103525M24xP3.036
全国服务热线:
18913177528
在线咨询
产品详情
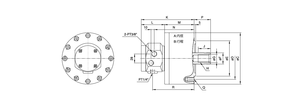
台湾米其林36037 中實油壓迴轉缸
型号:L0815 / L1020 / L1225 / L1530 / L2035
單位:mm
| 訂購編號 | 型號 | A | B | C | D | E (h6) | F | G (H8) | H |
| 36037-15 | L0815 | 75 | 15 | 115 | 90 | 65 | 30 | 21 | M20xP2.5 |
| 36037-20 | L1020 | 105 | 20 | 135 | 100 | 80 | 30 | 21 | M20xP2.5 |
| 36037-25 | L1225 | 125 | 25 | 160 | 130 | 110 | 35 | 25 | M24xP3.0 |
| 36037-30 | L1530 | 150 | 30 | 190 | 130 | 110 | 45 | 31 | M30xP3.5 |
| 36037-35 | L2035 | 200 | 35 | 245 | 145 | 120 | 55 | 37 | M36xP4.0 |
| 型號 | J | K | L | M | N | P max. | P min. | Q |
| L0815 | 35 | 137 | 72 | 65 | 97 | 46 | 31 | 6-M8xP1.25 |
| L1020 | 35 | 155 | 72 | 83 | 115 | 45 | 25 | 6-M10xP1.5 |
| L1225 | 45 | 163 | 72 | 91 | 123 | 51 | 26 | 6-M12xP1.75 |
| L1530 | 45 | 173 | 72 | 101 | 133 | 56 | 26 | 12-M12xP1.75 |
| L2035 | 60 | 191.5 | 72 | 119.5 | 151.5 | 69 | 34 | 12-M16xP2.0 |
| 型號 | R | 活塞行程 | 最高迴轉速 (min-1) | GD²(kg-m²) | 流量 (l/min) |
| L0815 | 102 | 15mm | 6000 R.P.M | 0.006 | 0.8 |
| L1020 | 120 | 20mm | 5500 R.P.M | 0.013 | 0.8 |
| L1225 | 128 | 25mm | 5500 R.P.M | 0.023 | 0.8 |
| L1530 | 138 | 30mm | 4000 R.P.M | 0.048 | 0.8 |
| L2035 | 156.5 | 35mm | 4000 R.P.M | 0.098 | 0.8 |
| 型號 | 最高使用壓力 | 活塞面積 (cm²) | 最大推力 | 重量 (kg) | |||
| 推力側 | 拉力側 | ||||||
| L0815 | 40 kgf/cm² | 3.9 Mpa | 44 | 37 | 1600 kgf | 15.7 KN | 4.2 |
| L1020 | 40 kgf/cm² | 3.9 Mpa | 86 | 79 | 3200 kgf | 31.4 KN | 5.9 |
| L1225 | 40 kgf/cm² | 3.9 Mpa | 122 | 113 | 4600 kgf | 45.1 KN | 8.1 |
| L1530 | 40 kgf/cm² | 3.9 Mpa | 176 | 160 | 6500 kgf | 63.7 KN | 11.9 |
| L2035 | 40 kgf/cm² | 3.9 Mpa | 314 | 290 | 11800 kgf | 115.6 KN | 21.4 |












全国服务热线