台湾米其林36019 大孔徑超薄中空油壓迴轉缸
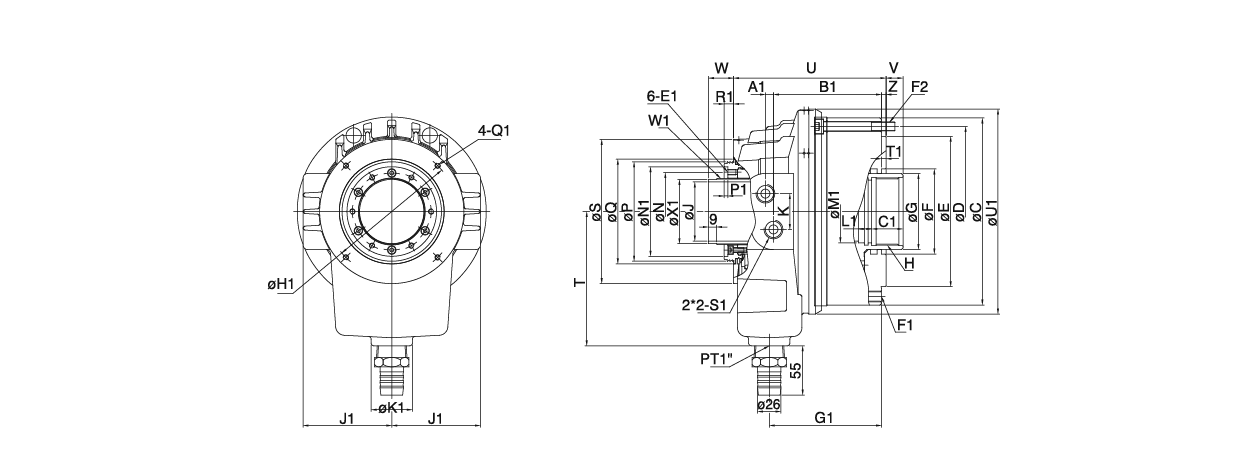
台湾米其林36019 大孔徑超薄中空油壓迴轉缸型号:P1452S / P1666S / P1881S單位:mm訂購編號型號A1B1CC1DEE1FF136019-05P1452S9109.218030165140M6xP1.08512-M10XP1.536019-10P1666S9120.720935190168M6xP1.09512-M12xP1.7536019-15P1881S10.7133.
全国服务热线:
18913177528
在线咨询
产品详情
台湾米其林36019 大孔徑超薄中空油壓迴轉缸
型号:P1452S / P1666S / P1881S
單位:mm
| 訂購編號 | 型號 | A1 | B1 | C | C1 | D | E | E1 | F | F1 |
| 36019-05 | P1452S | 9 | 109.2 | 180 | 30 | 165 | 140 | M6xP1.0 | 85 | 12-M10XP1.5 |
| 36019-10 | P1666S | 9 | 120.7 | 209 | 35 | 190 | 168 | M6xP1.0 | 95 | 12-M12xP1.75 |
| 36019-15 | P1881S | 10.7 | 133.7 | 222 | 35 | 205 | 168 | M6xP1.0 | 110 | 12-M12xP1.75 |
| 型號 | F2 | G | G1 | H | H1 | J | J1 | K | K1 | L1 |
| P1452S | 6-M8xP1.25 | 70 | 113.9 | M60xP2 | 120 | 52 | 83 | 40 | 46 | 15 |
| P1666S | 6-M10xP1.5 | 85 | 125.4 | M75xP2 | 145 | 66 | 99 | 40 | 46 | 15 |
| P1881S | 6-M10xP1.5 | 100 | 139.2 | M90xP2 | 166 | 81 | 107.5 | 40 | 46 | 15 |
| 型號 | M1 | N | N1 | P | P1 | Q | Q1 | R1 | S | S1 |
| P1452S | 55 | 73 | 85 | 96 | 4 | 102 | M6xP1.0 | 10.5 | 137 | PT 1/2 |
| P1666S | 70 | 88 | 100 | 111 | 4 | 117 | M6xP1.0 | 10.5 | 161 | PT 1/2 |
| P1881S | 85 | 103 | 113 | 126 | 4 | 132 | M6xP1.0 | 10.5 | 176 | PT 1/2 |
| 型號 | T | T1 | U | U1 | V max. | V min. | W max. | W1 | W min. | X1 |
| P1452S | 130 | 4 | 155.7 | 201 | 17 | -3 | 48.2 | M58xP1.5 | 28.2 | 55.8 |
| P1666S | 150 | 5 | 170.2 | 229 | 19 | -3 | 50.2 | M74xP1.5 | 28.2 | 71.8 |
| P1881S | 175 | 5 | 189.2 | 244 | 21.1 | -3.9 | 53.2 | M89xP2.0 | 28.2 | 85.8 |
| 型號 | Z | 活塞行程 | 最高迴轉速 (min-1) | 活塞直徑 | GD² (kg-m²) | 流量(l/min) | 重量 (kg) | |
| P1452S | 5 | 20mm | 6500 R.P.M | 145mm | 0.035 | 3.9 | 12.3 | |
| P1666S | 5 | 22mm | 5600 R.P.M | 165mm | 0.07 | 4 | 17.4 | |
| P1881S | 5 | 25mm | 4800 R.P.M | 180mm | 0.09 | 4.3 | 21.9 | |
| 型號 | 最高使用壓力 | 活塞面積 (cm²) | 最大推(拉)力 | |||||
| 推力側 | 拉力側 | 推力側 | 拉力側 | |||||
| P1452S | 40 kgf/cm² | 3.9 Mpa | 137 | 126 | 4860 kgf | 47.6 KN | 4464 kgf | 43.7 KN |
| P1666S | 40 kgf/cm² | 3.9 Mpa | 170 | 157 | 6048 kgf | 59.3 KN | 5580 kgf | 54.7 KN |
| P1881S | 40 kgf/cm² | 3.9 Mpa | 191 | 175 | 6804 kgf | 66.7 KN | 6264 kgf | 61.4 KN |












全国服务热线