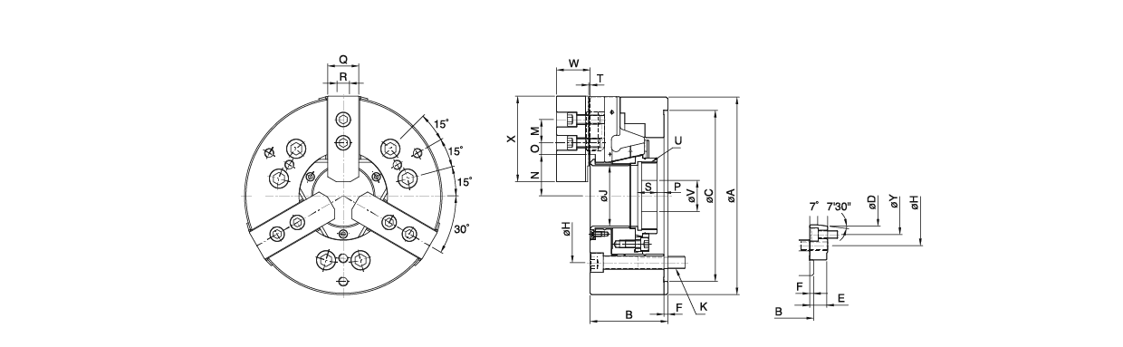
台湾米其林36018 大孔徑三爪高速中空油壓夾頭
台湾米其林36018 大孔徑三爪高速中空油壓夾頭型号:OPB-206 / OPB-208 / OPB-210單位:mm訂購編號型號主軸鼻端番號ABC(h6)DEFH36018-05OPB-206A2-517081140φ82.563205PCD φ12236018-10OPB-208A2-621591170φ106.375225PCD φ15036018-15OPB-210A2-825610022
全国服务热线:
18913177528
在线咨询
产品详情
台湾米其林36018 大孔徑三爪高速中空油壓夾頭
型号:OPB-206 / OPB-208 / OPB-210
單位:mm
| 訂購編號 | 型號 | 主軸鼻端番號 | A | B | C (h6) | D | E | F | H |
| 36018-05 | OPB-206 | A2-5 | 170 | 81 | 140 | φ82.563 | 20 | 5 | PCD φ122 |
| 36018-10 | OPB-208 | A2-6 | 215 | 91 | 170 | φ106.375 | 22 | 5 | PCD φ150 |
| 36018-15 | OPB-210 | A2-8 | 256 | 100 | 220 | φ139.719 | 28 | 5 | PCD φ180 |
| 型號 | J | K | M | N max. | N min. | O max. | O min. | P max. | P min. |
| OPB-206 | 52 | 6-M10*P1.5 | 20 | 36.35 | 33.6 | 21.1 | 9.1 | 7 | -5.1 |
| OPB-208 | 66 | 6-M12*P1.75 | 25 | 46.6 | 42.9 | 26.6 | 11.6 | 10 | -6.1 |
| OPB-210 | 81 | 6-M16*P2.0 | 30 | 54.6 | 50.1 | 33.1 | 13.6 | 8.5 | -10.1 |
| 型號 | Q | R | S | T | U | V | W | X | Y |
| OPB-206 | 31 | 12 | 23 | 2 | M60xP2 | 20 | 37.5 | 73 | 104.8 |
| OPB-208 | 35 | 14 | 25 | 2 | M75xP2 | 30 | 39.5 | 80 | 133.4 |
| OPB-210 | 40 | 16 | 25 | 2 | M90xP2 | 40 | 43 | 110 | 171.4 |
| 型號 | 通孔直徑 | 柱塞行程 | 爪行程直徑 |
| OPB-206 | 52mm | 12mm | 5.5mm |
| OPB-208 | 66mm | 16mm | 7.4mm |
| OPB-210 | 81mm | 19mm | 8.8mm |
| 型號 | 最高迴轉速(min-1) | 最大拉力 | 最大靜夾持力 | ||
| OPB-206 | 6000R.P.M | 2200 kgf | 21.5 KN | 5900 kgf | 58 KN |
| OPB-208 | 5000R.P.M | 3400 kgf | 33 KN | 8800 kgf | 86 KN |
| OPB-210 | 4200 R.P.M | 4300 kgf | 42 KN | 11100 kgf | 109 KN |
| 型號 | 最大設定油壓壓力 | 搭配油壓缸 編號/型號 | 夾持範圍 | 重量 (kg) | |
| OPB-206 | 21 kgf/cm² | 2.0 Mpa | NO. 36019-05 P1452S | φ13-φ170 | 12.3 |
| OPB-208 | 26 kgf/cm² | 2.5 Mpa | NO. 36019-10 P1666S | φ50-φ215 | 21.7 |
| OPB-210 | 29 kgf/cm² | 2.8 Mpa | NO. 36019-15 P1881S | φ34-φ254 | 33.6 |












全国服务热线