台湾米其林36015 強力生爪
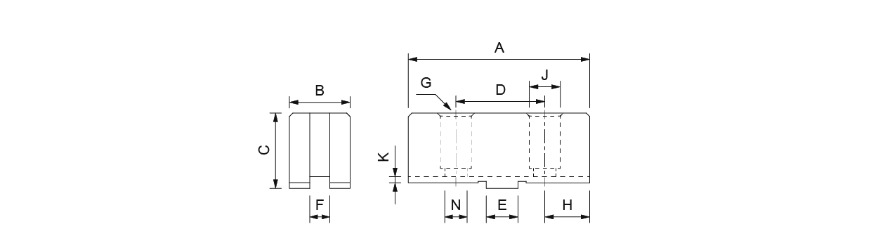
台湾米其林36015 強力生爪型号:SK-04" / SK-05" / SK-06" / SK-07-08" / SK-09-10" / SK-12" / SK-16"●材質:S45C。 ●適用於強力三爪夾頭上,可以修整成所需形狀尺寸。單位:mm訂購編號型號ABCDEFGHJKMN重量 (kg)36015-04SK-04&qu
全国服务热线:
18913177528
在线咨询
产品详情
台湾米其林36015 強力生爪
型号:SK-04" / SK-05" / SK-06" / SK-07-08" / SK-09-10" / SK-12" / SK-16"
● 材質:S45C。
● 適用於強力三爪夾頭上,可以修整成所需形狀尺寸。
單位:mm
| 訂購編號 | 型號 | A | B | C | D | E | F | G | H | J | K | M | N | 重量 (kg) |
| 36015-04 | SK-04" | 52 | 19 | 30 | 24 | 9.53 | 7.94 | M6 | 12 | 11 | 3 | 19 | 7 | 0.5 |
| 36015-05 | SK-05" | 62 | 23 | 32 | 32 | 12.68 | 7.94 | M8 | 13 | 14 | 3.5 | 21 | 9 | 1 |
| 36015-06 | SK-06" | 85 | 32 | 32 | 38.1 | 12.68 | 7.94 | M8 | 22 | 14 | 3.5 | 20 | 8.5 | 1.5 |
| 36015-07 | SK-07-08" | 95 | 31 | 32 | 44.45 | 12.68 | 7.94 | M10 | 24 | 17 | 3.5 | 18 | 11 | 1.7 |
| 36015-09 | SK-09-10" | 105 | 31 | 32 | 53.98 | 19.03 | 12.7 | M12 | 26 | 19 | 3.5 | 18 | 13 | 1.9 |
| 36015-12 | SK-12" | 125 | 40 | 54 | 63.5 | 19.03 | 12.7 | M12 | 35.5 | 19 | 3.5 | 40.5 | 13 | 5.3 |
| 36015-16 | SK-16" | 162 | 50 | 70 | 76.2 | 19.03 | 12.7 | M16 | 42 | 25 | 5.5 | 48 | 17 | 11 |












全国服务热线