台湾米其林36085 萬能分割頭
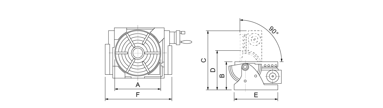
台湾米其林36085 萬能分割頭型号:HUT-300 / HUF-300●適用於銑削、搪孔、成形、鑽孔、分度、設定角度及圓形切斷。●水平至垂直傾斜90°。●面盤的邊緣周圍允許快速手動分度24孔。◆ 特別配件: 1.蜂巢板 2.尾座單位:mm訂購編號型號附件重量 (kg)36085-05HUT-300含蜂巢板10936085-10HUF-300不含蜂巢板105ABCDEF齒輪比頂針套筒等份數φ3
全国服务热线:
18913177528
在线咨询
产品详情
台湾米其林36085 萬能分割頭
型号:HUT-300 / HUF-300
● 適用於銑削、搪孔、成形、鑽孔、分度、設定角度及圓形切斷。
● 水平至垂直傾斜90°。
● 面盤的邊緣周圍允許快速手動分度24孔。
◆ 特別配件:
1.蜂巢板
2.尾座
單位:mm
| 訂購編號 | 型號 | 附件 | 重量 (kg) |
| 36085-05 | HUT-300 | 含蜂巢板 | 109 |
| 36085-10 | HUF-300 | 不含蜂巢板 | 105 |
| A | B | C | D | E | F | 齒輪比 | 頂針套筒 | 等份數 |
| φ300 | 185 | 405 | 228 | 336 | 444 | 90:1 | MT5 | 24-div |
●蜂巢板A.B.C面孔數
| 蜂巢板各面孔數 | A | 9 | 28 | 34 | 41 | 47 | 10 | 29 | 35 | 43 | 49 |
| B | 21 | 31 | 37 | 44 | 53 | 26 | 32 | 38 | 46 | 59 | |
| C | 61 | 71 | 77 | 83 | 91 | 67 | 73 | 79 | 89 | 97 |












全国服务热线