台湾米其林35583 45˚三角型治具
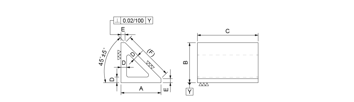
台湾米其林35583 45˚三角型治具型号:BC13-100100-150 / BC13-100100-300 / BC13-200200-150 / BC13-200200-300●材質:FC30,熱處理:燒鈍。單位:mm訂購編號型號ABCDEF重量 (kg)35583-05BC13-100100-15010010015014101274.535583-10BC13-100100-3001001
全国服务热线:
18913177528
在线咨询
产品详情
台湾米其林35583 45˚三角型治具
型号:BC13-100100-150 / BC13-100100-300 / BC13-200200-150 / BC13-200200-300
● 材質:FC30,熱處理:燒鈍。
單位:mm
| 訂購編號 | 型號 | A | B | C | D | E | F | 重量 (kg) |
| 35583-05 | BC13-100100-150 | 100 | 100 | 150 | 14 | 10 | 127 | 4.5 |
| 35583-10 | BC13-100100-300 | 100 | 100 | 300 | 14 | 10 | 127 | 8.8 |
| 35583-15 | BC13-200200-150 | 200 | 200 | 150 | 22 | 20 | 225 | 15 |
| 35583-20 | BC13-200200-300 | 200 | 200 | 300 | 22 | 20 | 225 | 29 |












全国服务热线