台湾米其林35580 L型治具
台湾米其林35580 L型治具型号:BC12-063050-200 / BC12-063050-300 / BC12-063050-500●材質:FC30,熱處理:燒鈍。單位:mm訂購編號型號ABCD重量 (kg)35580-05BC12-063050-200506320014235580-10BC12-063050-300506330014335580-15BC12-063050-5005063
全国服务热线:
18913177528
在线咨询
产品详情
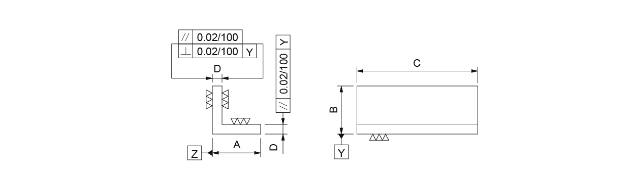
台湾米其林35580 L型治具
型号:BC12-063050-200 / BC12-063050-300 / BC12-063050-500
● 材質:FC30,熱處理:燒鈍。
單位:mm
| 訂購編號 | 型號 | A | B | C | D | 重量 (kg) |
| 35580-05 | BC12-063050-200 | 50 | 63 | 200 | 14 | 2 |
| 35580-10 | BC12-063050-300 | 50 | 63 | 300 | 14 | 3 |
| 35580-15 | BC12-063050-500 | 50 | 63 | 500 | 14 | 5 |












全国服务热线