台湾米其林35577 長方型治具板
台湾米其林35577 長方型治具板型号:BC10-20100-100 / BC10-20100-150 / BC10-25150-200 / BC10-25150-250 / BC10-25200-200 / BC10-25200-250 / BC10-25250-250●材質:FC30,熱處理:燒鈍。單位:mm訂購編號型號ABC重量 (kg)35577-05BC10-20100-10010010
全国服务热线:
18913177528
在线咨询
产品详情
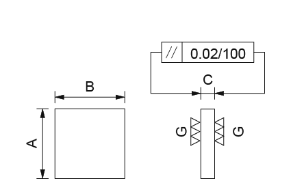
台湾米其林35577 長方型治具板
型号:BC10-20100-100 / BC10-20100-150 / BC10-25150-200 / BC10-25150-250 / BC10-25200-200 / BC10-25200-250 / BC10-25250-250
● 材質:FC30,熱處理:燒鈍。
單位:mm
| 訂購編號 | 型號 | A | B | C | 重量 (kg) |
| 35577-05 | BC10-20100-100 | 100 | 100 | 20 | 1.6 |
| 35577-10 | BC10-20100-150 | 100 | 150 | 25 | 2.3 |
| 35577-15 | BC10-25150-200 | 150 | 200 | 25 | 5.9 |
| 35577-20 | BC10-25150-250 | 150 | 250 | 25 | 7.3 |
| 35577-25 | BC10-25200-200 | 200 | 200 | 25 | 7.8 |
| 35577-30 | BC10-25200-250 | 200 | 250 | 25 | 9.8 |
| 35577-35 | BC10-25250-250 | 250 | 250 | 25 | 12.0 |












全国服务热线