台湾米其林35574 T加強型治具
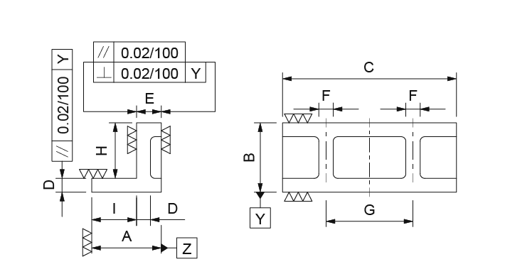
台湾米其林35574 T加強型治具型号:BC09-125100-150 / BC09-125100-300●材質:FC30,熱處理:燒鈍。重量:mm訂購編號型號ABCDEFGHI重量 (kg)35574-05BC09-125100-150100100150203712-80634.435574-10BC09-125100-30010010030020371215080638.7
全国服务热线:
18913177528
在线咨询
产品详情
台湾米其林35574 T加強型治具
型号:BC09-125100-150 / BC09-125100-300
● 材質:FC30,熱處理:燒鈍。
重量:mm
| 訂購編號 | 型號 | A | B | C | D | E | F | G | H | I | 重量 (kg) |
| 35574-05 | BC09-125100-150 | 100 | 100 | 150 | 20 | 37 | 12 | - | 80 | 63 | 4.4 |
| 35574-10 | BC09-125100-300 | 100 | 100 | 300 | 20 | 37 | 12 | 150 | 80 | 63 | 8.7 |












全国服务热线