台湾米其林35571 L加強型治具
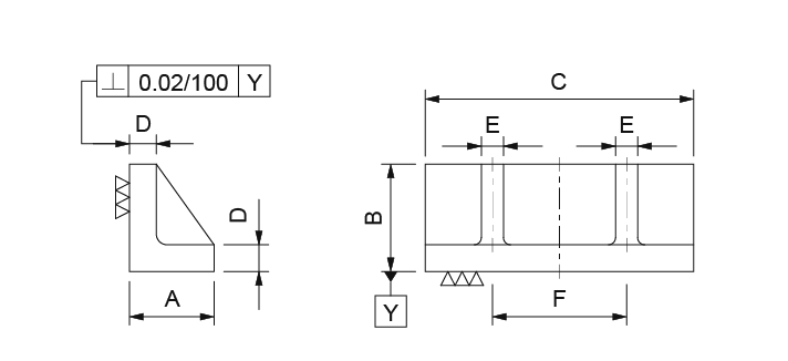
台湾米其林35571 L加強型治具型号:BC08-125100-150 / BC08-125100-300●材質:FC30,熱處理:燒鈍。單位:mm訂購編號型號ABCDE重量 (kg)35571-05BC08-125100-15010012515022185.335571-10BC08-125100-300100125300221811.0
全国服务热线:
18913177528
在线咨询
产品详情
台湾米其林35571 L加強型治具
型号:BC08-125100-150 / BC08-125100-300
● 材質:FC30,熱處理:燒鈍。
單位:mm
| 訂購編號 | 型號 | A | B | C | D | E | 重量 (kg) |
| 35571-05 | BC08-125100-150 | 100 | 125 | 150 | 22 | 18 | 5.3 |
| 35571-10 | BC08-125100-300 | 100 | 125 | 300 | 22 | 18 | 11.0 |












全国服务热线