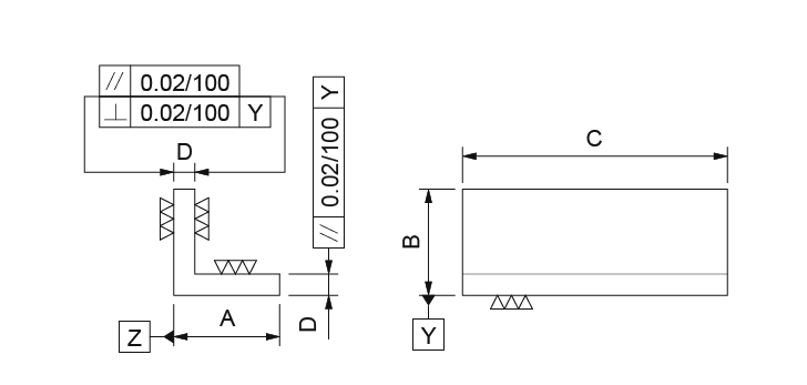
台湾米其林35568 L型治具
台湾米其林35568 L型治具型号:BC07-063063-200 / BC07-063063-400 / BC07-100100-200 / BC07-100100-400●材質:FC30,熱處理:燒鈍。單位:mm訂購編號型號ABCD重量 (kg)35568-05BC07-063063-2006363200142.335568-10BC07-063063-4006363400144.535568
全国服务热线:
18913177528
在线咨询
产品详情
台湾米其林35568 L型治具
型号:BC07-063063-200 / BC07-063063-400 / BC07-100100-200 / BC07-100100-400
● 材質:FC30,熱處理:燒鈍。
單位:mm
| 訂購編號 | 型號 | A | B | C | D | 重量 (kg) |
| 35568-05 | BC07-063063-200 | 63 | 63 | 200 | 14 | 2.3 |
| 35568-10 | BC07-063063-400 | 63 | 63 | 400 | 14 | 4.5 |
| 35568-15 | BC07-100100-200 | 100 | 100 | 200 | 20 | 5.2 |
| 35568-20 | BC07-100100-400 | 100 | 100 | 400 | 20 | 10.4 |












全国服务热线