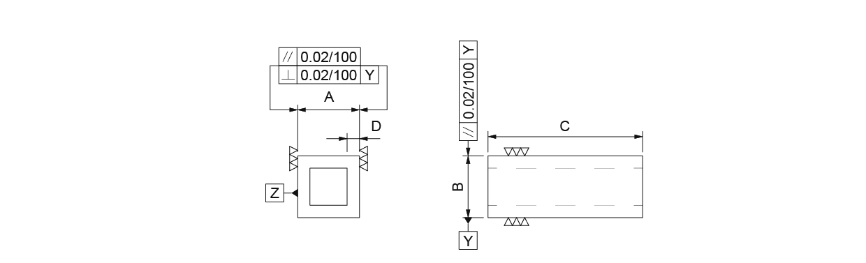
台湾米其林35553 方型治具
台湾米其林35553 方型治具型号:BC02-063063-200 / BC02-100100-200 / BC02-100100-400 / BC02-160160-200 / BC02-160160-400●材質:FC30,熱處理:燒鈍。單位:mm訂購編號型號ABCD重量(kg)35553-05BC02-063063-2006363200122.335553-10BC02-100100-200
全国服务热线:
18913177528
在线咨询
产品详情
台湾米其林35553 方型治具
型号:BC02-063063-200 / BC02-100100-200 / BC02-100100-400 / BC02-160160-200 / BC02-160160-400
● 材質:FC30,熱處理:燒鈍。
單位:mm
| 訂購編號 | 型號 | A | B | C | D | 重量(kg) |
| 35553-05 | BC02-063063-200 | 63 | 63 | 200 | 12 | 2.3 |
| 35553-10 | BC02-100100-200 | 100 | 100 | 200 | 16 | 8.0 |
| 35553-15 | BC02-100100-400 | 100 | 100 | 400 | 16 | 16.0 |
| 35553-20 | BC02-160160-200 | 125 | 125 | 200 | 20 | 16.5 |
| 35553-25 | BC02-160160-400 | 125 | 125 | 400 | 20 | 33.0 |












全国服务热线