台湾米其林35550 H型治具
台湾米其林35550 H型治具型号:BC01-063063-200 / BC01-080080-200 / BC01-080080-400 / BC01-125125-200 / BC01-125125-400●材質:FC30,熱處理:燒鈍。單位:mm訂購編號型號ABCDE重量(kg)35550-05BC01-063063-20063632001225.52.835550-10BC01-08008
全国服务热线:
18913177528
在线咨询
产品详情
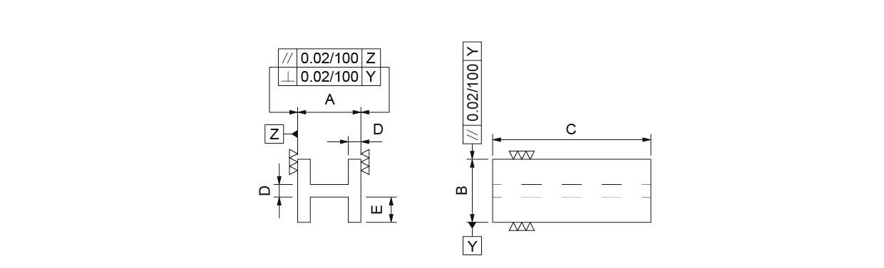
台湾米其林35550 H型治具
型号:BC01-063063-200 / BC01-080080-200 / BC01-080080-400 / BC01-125125-200 / BC01-125125-400
● 材質:FC30,熱處理:燒鈍。
單位:mm
| 訂購編號 | 型號 | A | B | C | D | E | 重量(kg) |
| 35550-05 | BC01-063063-200 | 63 | 63 | 200 | 12 | 25.5 | 2.8 |
| 35550-10 | BC01-080080-200 | 80 | 80 | 200 | 16 | 32.0 | 4.8 |
| 35550-15 | BC01-080080-400 | 80 | 80 | 400 | 16 | 32.0 | 9.6 |
| 35550-20 | BC01-125125-200 | 125 | 125 | 200 | 20 | 52.5 | 9.6 |
| 35550-25 | BC01-125125-400 | 125 | 125 | 400 | 20 | 52.5 | 19.3 |












全国服务热线