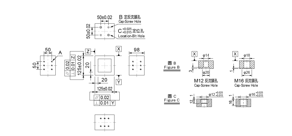
台湾米其林35425 方型墊塊
台湾米其林35425 方型墊塊型号:BP28-125098-125-12 / BP28-125098-125-16●材質:FC30,熱處理:燒鈍。●適用於立式MC及臥式MC。●因應工件之高低或段差給予輔助用,以孔定位方式,利用標準化治具零件,可快速組立完成一套符合需要之治具。單位:mm訂購編號型號ABC重量(kg)35425-05BP28-125098-125-12M12M12φ125.83542
全国服务热线:
18913177528
在线咨询
产品详情
台湾米其林35425 方型墊塊
型号:BP28-125098-125-12 / BP28-125098-125-16
● 材質:FC30,熱處理:燒鈍。
● 適用於立式MC及臥式MC。
● 因應工件之高低或段差給予輔助用,以孔定位方式,利用標準化治具零件,可快速組立完成一套符合需要之治具。
單位:mm
| 訂購編號 | 型號 | A | B | C | 重量(kg) |
| 35425-05 | BP28-125098-125-12 | M12 | M12 | φ12 | 5.8 |
| 35425-10 | BP28-125098-125-16 | M16 | M16 | φ16 | 5.5 |












全国服务热线