台湾米其林35420 方型墊塊
台湾米其林35420 方型墊塊型号:BP27-125098-125●材質:FC30,熱處理:燒鈍。●適用於基板或基座上。●因應工件之高低或段差給予輔助用,可依實際需要,自行鑽孔加工製作專用治具。單位:mm訂購編號型號重量(kg)35420-05BP27-125098-1256
全国服务热线:
18913177528
在线咨询
产品详情
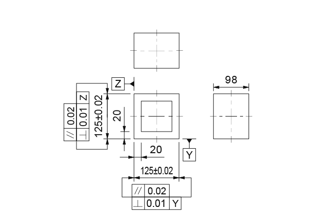
台湾米其林35420 方型墊塊
型号:BP27-125098-125
● 材質:FC30,熱處理:燒鈍。
● 適用於基板或基座上。
● 因應工件之高低或段差給予輔助用,可依實際需要,自行鑽孔加工製作專用治具。
單位:mm
| 訂購編號 | 型號 | 重量(kg) |
| 35420-05 | BP27-125098-125 | 6 |












全国服务热线