台湾米其林35410 方型墊塊
台湾米其林35410 方型墊塊型号:BP25-200150-0150 / BP25-250150-0200 / BP25-300200-0250●材質:FC30,熱處理:燒鈍。●適用於基板或基座上。●因應工件之高低或段差給予輔助可依實際需要,自行鑽孔加工製作專用治具。單位:mm訂購編號型號ABC重量(kg)35410-05BP25-200150-01502001501502335410-10BP2
全国服务热线:
18913177528
在线咨询
产品详情
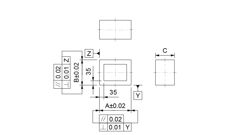
台湾米其林35410 方型墊塊
型号:BP25-200150-0150 / BP25-250150-0200 / BP25-300200-0250
● 材質:FC30,熱處理:燒鈍。
● 適用於基板或基座上。
● 因應工件之高低或段差給予輔助可依實際需要,自行鑽孔加工製作專用治具。
單位:mm
| 訂購編號 | 型號 | A | B | C | 重量(kg) |
| 35410-05 | BP25-200150-0150 | 200 | 150 | 150 | 23 |
| 35410-10 | BP25-250150-0200 | 250 | 200 | 150 | 30 |
| 35410-15 | BP25-300200-0250 | 300 | 250 | 200 | 56 |












全国服务热线