台湾米其林35370 圓形基板
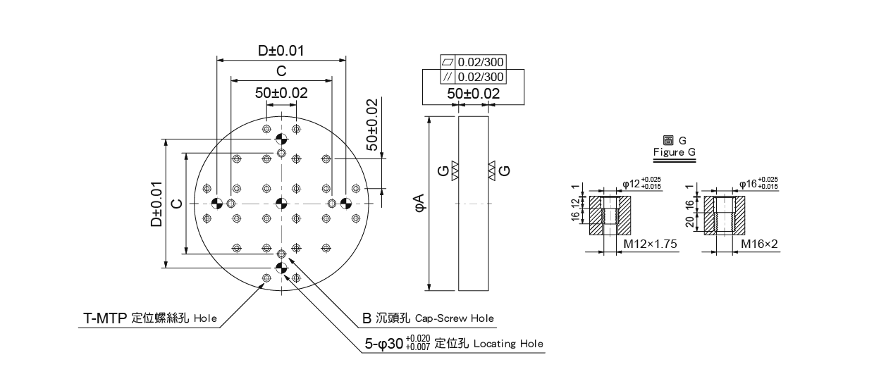
台湾米其林35370 圓形基板型号:BP17-50-0300-12 / BP17-50-0400-12 / BP17-50-0500-12 / BP17-50-0600-12 / BP17-50-0500-16 / BP17-50-0600-16●材質:FC30,熱處理:燒鈍。●適用於NC分度盤。●以孔定位方式,利用標準化治具零件,可快速組立完成一套符合需要之治具。單位:mm訂購編號型號ABCDG
全国服务热线:
18913177528
在线咨询
产品详情
台湾米其林35370 圓形基板
型号:BP17-50-0300-12 / BP17-50-0400-12 / BP17-50-0500-12 / BP17-50-0600-12 / BP17-50-0500-16 / BP17-50-0600-16
● 材質:FC30,熱處理:燒鈍。
● 適用於NC分度盤。
● 以孔定位方式,利用標準化治具零件,可快速組立完成一套符合需要之治具。
單位:mm
| 訂購編號 | 型號 | A | B | C | D | G | MTP | 重量(kg) | |
| 35370-05 | BP17-50-0300-12 | 300 | M12 | 150 | 220 | φ12 | M12 | 24 | 23 |
| 35370-10 | BP17-50-0400-12 | 400 | M12 | 250 | 320 | φ12 | M12 | 44 | 42 |
| 35370-15 | BP17-50-0500-12 | 500 | M12 | 300 | 400 | φ12 | M12 | 68 | 70 |
| 35370-20 | BP17-50-0600-12 | 600 | M12 | 400 | 500 | φ12 | M12 | 96 | 98 |
| 35370-25 | BP17-50-0500-16 | 500 | M16 | 300 | 400 | φ16 | M16 | 68 | 68 |
| 35370-30 | BP17-50-0600-16 | 600 | M16 | 400 | 500 | φ16 | M16 | 96 | 95 |












全国服务热线