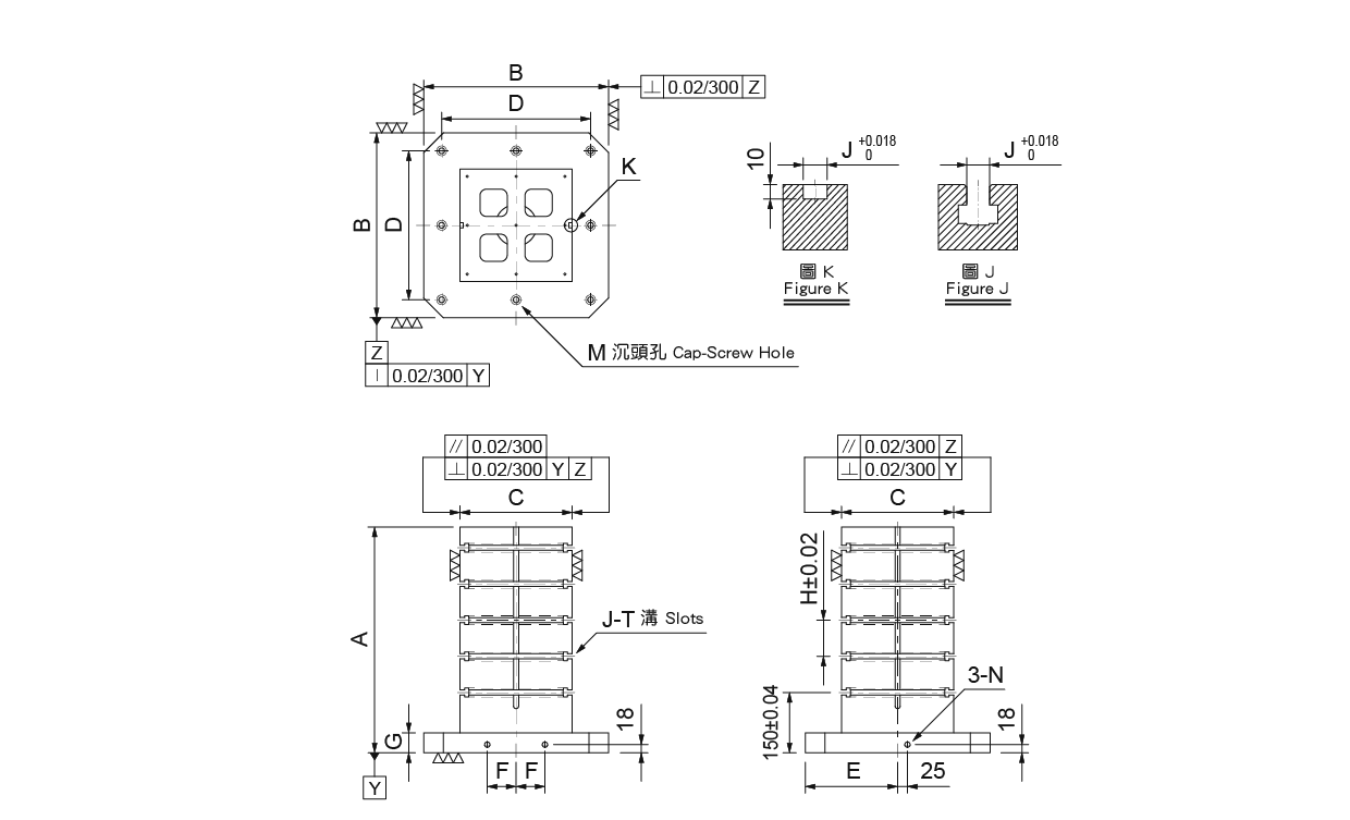
台湾米其林35330 四面基座型号:BP09-400400-0500-14 / BP09-400400-0650-14 / BP09-500500-0600-14 / BP09-500500-0750-14 / BP09-630630-0700-14 / BP09-630630-0850-14 / BP09-800800-0800-14 / BP09-800800-1000-14 / BP09-1
产品详情
台湾米其林35330 四面基座
型号:
BP09-400400-0500-14 / BP09-400400-0650-14 / BP09-500500-0600-14 / BP09-500500-0750-14 / BP09-630630-0700-14 / BP09-630630-0850-14 / BP09-800800-0800-14 / BP09-800800-1000-14 / BP09-10001000-1000-14 / BP09-10001000-1250-14 ● 材質:FC30,熱處理:燒鈍。 單位:mm
|












全国服务热线